面向大电流无刷直流电机和永磁同步电机控制的S12ZVM评估板

滚动图片以放大

支持的器件

接口

3.3V/5V IO CAN收发器

处理器和微控制器

S12 MagniV混合信号MCU

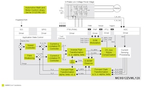
特征

MCSXSR1CS12ZVM的硬件特性:

  • 适用于空间受限应用的高度集成的板
  • 单PCB硬件设计,功率高达1千瓦,开关性能进行了优化
  • 适用于成本敏感型应用的单并联电流传感设计
  • 带集成稳压器的旋转变压器硬件接口
  • 接口:集成式LIN、可选CAN连接支持、UART / SCI、SPI
  • 通过USB到SCI收发器进行OSBDM编程/调试
  • 可轻松接入MCU I/O接头引脚,进行原型设计
  • 外部高达100 A的12 V电源(封装中不含)

MCSXSR1CS12ZVM的软件特性:

  • 汽车电机控制算法:基于磁场定向控制(FOC)的三相PMSM电机的无传感器控制,可独立控制磁场和转矩/速度
  • 汽车数学和电机控制库(AMMCLib)套件评估版:基于预编译软件库块的控制算法
  • 在FOC级联结构的不同层级进行FreeMASTER和MCAT应用调优和变量跟踪
  • CodeWarrior 11.x:在CodeWarrior 11.0及更高版本中创建的示例软件

购买选项

MCSXSR1CS12ZVM-Image

点击展开

MCSXSR1CS12ZVM
正常供应

MCSXSR1CS12ZVM for 3-phase high-current BLDC/PMSM.

$375.00 USD
待定库存
从分销商处购买

文档

快速参考恩智浦 文档类别

8 文件

紧凑列表

应用笔记 (4)
快速参考指南 (1)
用户指南 (2)
简介 (1)

设计资源

设计文件

快速参考恩智浦 设计文件类型.

2 设计文件

软件

快速参考恩智浦 软件类型.

5 软件文件

注意: 推荐在电脑端下载软件,体验更佳。

培训

3 培训

支持

您需要什么帮助?