
谐振电源控制IC
TEA2096T是面向开关电源的新型同步整流器(SR)控制器IC。它包括自适应栅极驱动方法,可在任何负载下实现较高效率。
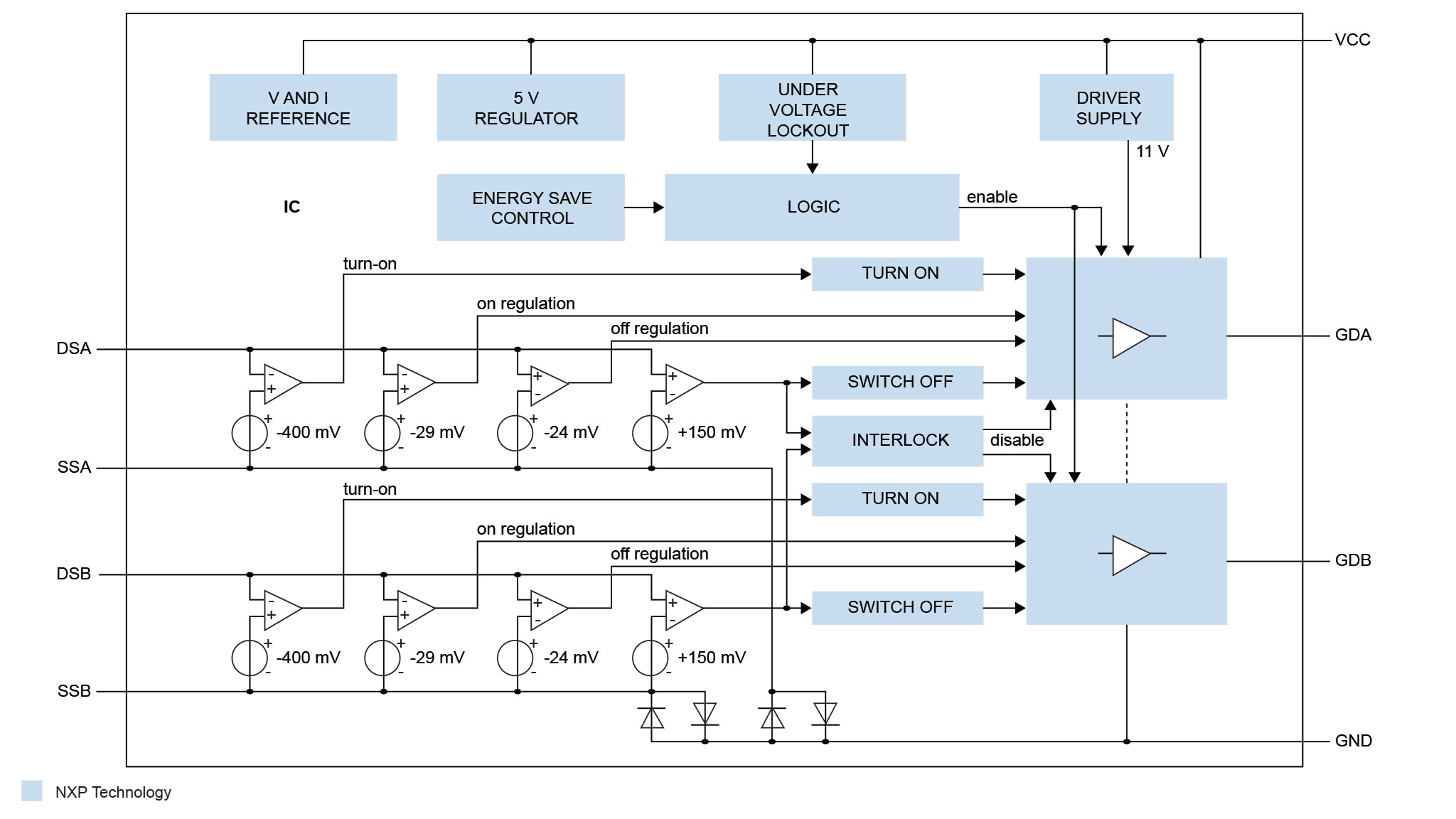
TEA2096T是一款专用于谐振转换器次级侧同步整流的控制器IC。它有两个驱动器级来驱动SR MOSFET,SR MOSFET对采用中心抽头次级变压器绕组的输出进行整流。两个栅极驱动器级拥有自己的感测输入,并独立操作。TEA2096T适用于使用极低欧姆MOSFET的高效运行和高频切换。TEA2096T采用硅绝缘(SOI)工艺制成。
TEA2095T/TE最适合用于服务器、PC、电视、适配器和其他开关模式电源的谐振电源。

GreenChip双同步整流器(SR)控制器
PFC controller
|
|
|
|
|
|
|
|---|---|---|---|---|---|
|
|
|
|
|
|
|
|
|
|
|
|
|
|
|
|
|
|
|
|
|
|
|
|
|
|
|
|
|
|
|
|
|
|
|
|
|
|
|
|
|
|
|
|
|
|
|
|
|
|
|
|
|
|
|
|
|
|
|
|
|
|
|
|
|
|
|
|
|
|