PFC controller

点击播放视频

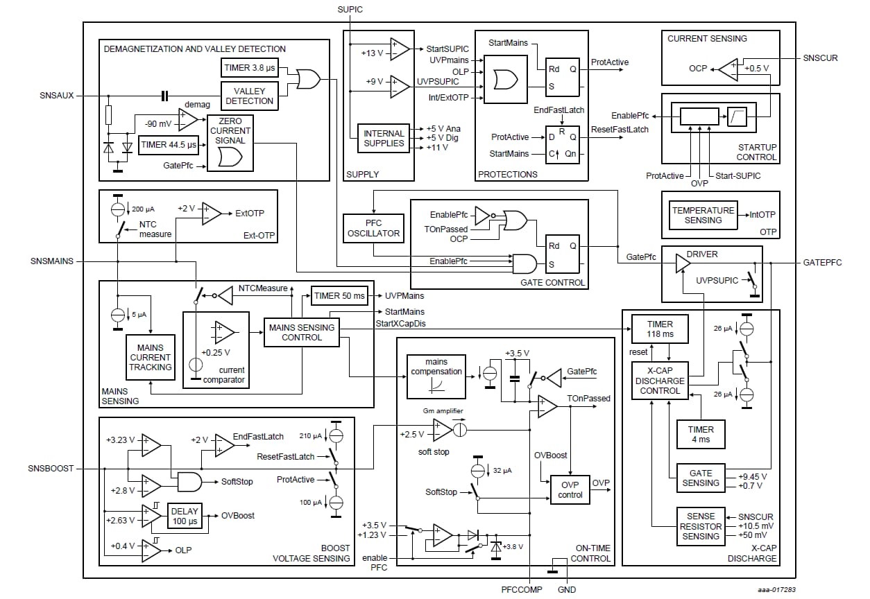
框图

TEA19162 Block diagram

TEA19162 Block diagram

特征

  • Distinctive features:
    • Complete functionality as TEA19161T/TEA19162T combo
    • Integrated X-capacitor discharge without additional external components
    • Universal mains supply operation (70 V (AC) to 276 V (AC))
    • Integrated soft start and soft stop
    • Accurate boost voltage regulation
  • Green features:
    • Valley/zero voltage switching for minimum switching losses
    • Frequency limitation to reduce switching losses
    • Reduced supply current (200 μA) when in burst mode
  • Protection features:
    • Safe restart mode for system fault conditions
    • Continuous mode protection with demagnetization detection
    • Accurate OverVoltage Protection (OVP)
    • Open-Loop Protection (OLP)
    • Short-Circuit Protection (SCP)
    • Internal and external IC OverTemperature Protection (OTP)
    • Low and adjustable OverCurrent Protection (OCP) trim level
    • Adjustable brownin/brownout protection
    • Supply Undervoltage Protection (UVP)

购买/参数










































































































文档

快速参考恩智浦 文档类别

8 文件

紧凑列表

包装信息 (1)
封装信息 (1)
应用笔记 (1)
手册 (1)
支持信息 (2)
数据手册 (1)
简介 (1)

设计文件

硬件

快速参考恩智浦 板类型.

1 硬件产品

软件

快速参考恩智浦 软件类型.

1 软件文件

注意: 推荐在电脑端下载软件,体验更佳。

支持

您需要什么帮助?