
GreenChip双同步整流器(SR)控制器
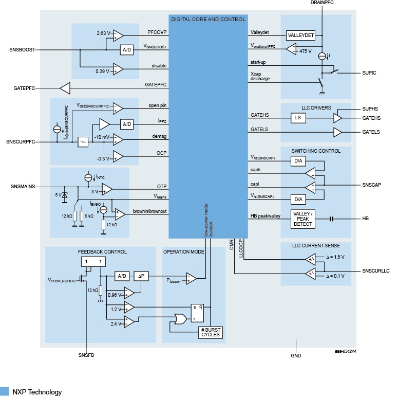
TEA2017AAT是一款数字化可配置LLC和PFC组合控制器,用于高效谐振电源。它包括LLC和PFC控制器功能。PFC经配置可在DCM/QR、CCM固定频率或支持所有操作模式的多模式下运行,优化PFC效率。TEA2017ABT版本包括仅支持DCM/QR操作的PFC,而LLC阶段与TEA2017AAT相同。
所有TEA2017xxT版本都能够构建一个完整的谐振电源,电源设计简便,组件数量少。TEA2017xxT采用小型窄条SO16封装。
TEA2017xxT数字架构基于高速可配置硬件状态机,确保可靠性、实时性。在电源开发过程中,LLC和PFC控制器的多种操作和保护设置都可以通过向设备加载新设置来进行调整,以满足特定的应用要求。专有TEA2017xxT配置内容未经授权无法复制,配置安全得以保证。
与传统的谐振拓扑相比,TEA2017xxT由于采用LLC低功耗模式,在低负载时表现出非常高的效率。此模式在连续切换(也称为大功率模式)和间歇模式之间的功率区域内运行。
| 产品 | 高压模具工艺 | 特性 | 支持信息 |
|---|---|---|---|
| TEA2017AAT/2 | EZHV(绝缘硅) | 参考启动行为 | 对比 |
| TEA2017AAT/3 | ABCD3HV+ (绝缘硅) | 更快的启动行为,可符合最新的Intel ATX 3规范(§4.3 Intel ATX 3规范→T1:开机时间) |

GreenChip双同步整流器(SR)控制器
PFC controller
|
|
|
|
|
|
|
|---|---|---|---|---|---|
|
|
|
|
|
|
|
|
|
|
|
|
|
|
|
|
|
|
|
|
|
|
|
|
|
|
|
|
|
|
|
|
|
|
|
|
|
|
|
|
|
|
|
|
|
|
|
|
|
|
|
|
|
|
|
|
|
|
|
|
|
|
|
|
|
|
|
|
|
|
快速参考恩智浦 文档类别
1-10 / 11 文件
紧凑列表
安全文件正在加载,请稍等
快速参考恩智浦 软件类型.
4 软件文件
注意: 推荐在电脑端下载软件,体验更佳。
安全文件正在加载,请稍等
5 培训