
谐振电源控制IC
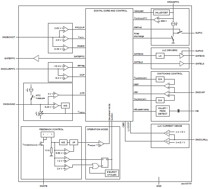
TEA2016AAT是一款数字化可配置LLC和PFC组合控制器,用于高效谐振电源。我们的产品包括LLC控制器功能和PFC控制器,均以DCM和QR模式运行。
TEA2016AAT采用小型窄条SO16封装。我们时尚的设计使消费者可以用很少的元件构建完整的谐振电源,从而简化设计流程。
将TEA2016AAT与我们的TEA1995T结合在一起,可为用户提供易于设计、高效且可靠的电源,提供90W至500W的功率,所需外部组件最少。该系统提供低空载输入功率(<75mW;整个系统包括TEA2016AAT/TEA1995T组合)以及从最小到最大负载的高效率。
该电源符合能源之星、能源部的能效法规、欧盟的生态设计指令、欧洲行为准则以及其他能源法规。由于TEA2016AAT非常高效,因此无需任何辅助低功耗电源。
| 产品 | 高压模具工艺 | 特性 | 支持信息 |
|---|---|---|---|
| TEA2016AAT/1 | EZHV(绝缘硅) | 参考行为 | 对比 |
| TEA2016AAT/2 | ABCD3HV+ (绝缘硅) |
|
|
|
|
|
|
|
|
|---|---|---|---|---|---|
|
|
|
|
|
|
|
|
|
|
|
|
|
|
|
|
|
|
|
|
|
|
|
|
|
|
|
|
|
|
|
|
|
|
|
|
|
|
|
|
|
|
|
|
|
|
|
|
|
|
|
|
|
|
|
|
|
|
|
|
|
|
|
|
|
|
|
|
|
|
快速参考恩智浦 文档类别
10 文件
紧凑列表
安全文件正在加载,请稍等
快速参考恩智浦 软件类型.
5 软件文件
注意: 推荐在电脑端下载软件,体验更佳。
安全文件正在加载,请稍等
2 培训