
谐振电源控制IC
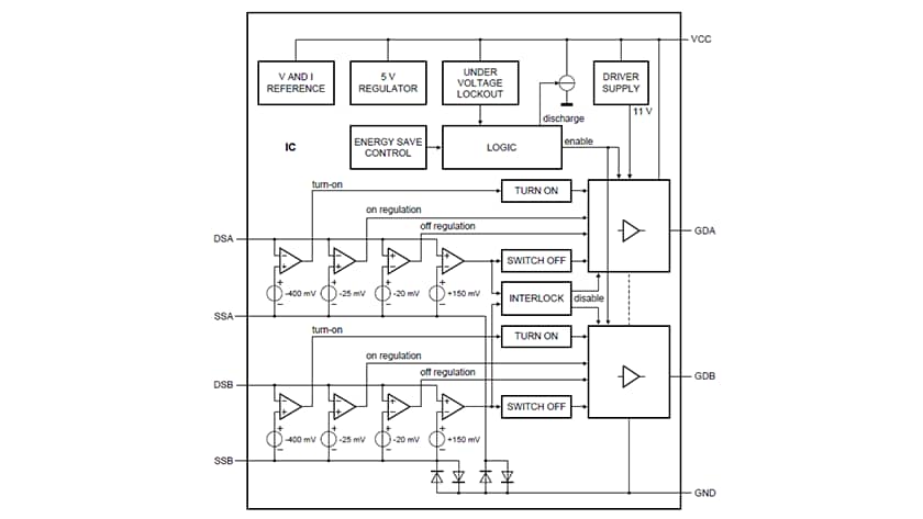
TEA2095T/TE是一款开关模式电源用的高性能同步整流器(SR)控制器IC。
该同步整流器控制器采用自适应栅极驱动方法,可在任何负载下节省最大能量。为了提高效率,TEA2095T/TE可在90μA的条件下以-25 mV的稳压水平工作,从而优化了与低欧姆MOSFET配合使用的功能。
TEA2095T/TE的欠压锁定(UVLO)保护功能可在电源电压低于最小工作电压时使设备保持全功能运行,并确保在电压低于UVLO阈值时设备保持关闭状态。此功能增强了系统的整体性能并提高了效率。
恩智浦产品有两个驱动器级来驱动SR MOSFET,SR MOSFET对采用中心抽头次级绕组的输出进行同步整流。两个栅极驱动器级设备独立运行,并带有差分输入,可检测SR MOSFET的漏极和源极电压。
TEA2095T/TE最适合用于服务器、PC、电视、适配器和其他开关模式电源的谐振电源。
|
|
|
|
|
|
|
|---|---|---|---|---|---|
|
|
|
|
|
|
|
|
|
|
|
|
|
|
|
|
|
|
|
|
|
|
|
|
|
|
|
|
|
|
|
|
|
|
|
|
|
|
|
|
|
|
|
|
|
|
|
|
|
|
|
|
|
|
|
|
|
|
|
|
|
|
|
|
|
|
|
|
|
|
快速参考恩智浦 文档类别
9 文件
紧凑列表
安全文件正在加载,请稍等
1 硬件产品

要查找支持该产品的其他合作伙伴产品,请访问我们的 合作伙伴市场.