具有睡眠模式的CAN信号质量提升(SIC)收发器

滚动图片以放大

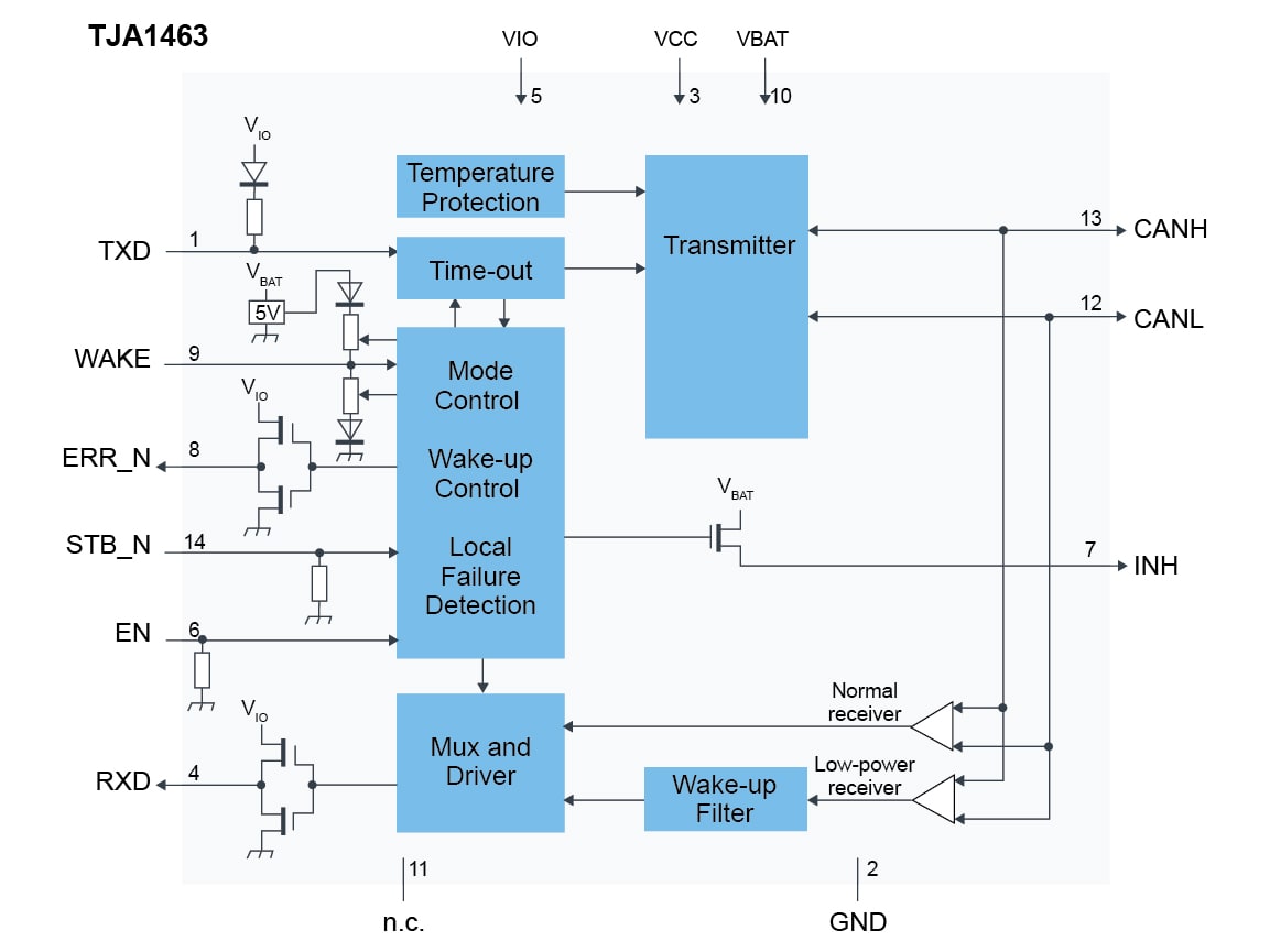
框图

TJA1463

TJA1463 Block Diagram

特性

一般特性

  • 符合ISO11898-2:2024、SAE J2284-1至SAE J2284-5和SAE J1939-14标准
  • 高达8Mbit/s的CAN FD通信
  • VIO输入允许直接连接3.3V至5V微控制器
  • 低电磁辐射(EME)和高电磁抗扰性(EMI)
  • 符合AEC-Q100 1级标准
  • 提供SO14封装和无引脚HVSON14封装

信号质量提升

  • 实现CiA601-4定义的CAN信号质量提升功能,可大幅降低网络中的信号振铃效应
  • 更严格的位时序对称性能,从而有更多的时间来减少信号振铃

可预测故障安全操作

  • 电源引脚提供欠压检测,具有规定的处理方式
  • 从欠压检测阈值到最大电压限值,可保证全部功能正常运行
  • 低于欠压检测阈值的定义行为
  • 当电源电压降至关闭模式阈值以下时,收发器与总线断开(高欧姆)
  • TXD和模式选择输入引脚的内部偏置,可实现定义的故障安全操作

购买/参数










































































































文档

快速参考恩智浦 文档类别

1 文件

紧凑列表

设计文件

硬件

快速参考恩智浦 板类型.

1-5 / 20 硬件

展开

工程服务

3 工程服务

要查找支持该产品的其他合作伙伴产品,请访问我们的 合作伙伴市场.

培训

支持

您需要什么帮助?