3相无刷电机预驱动器

滚动图片以放大

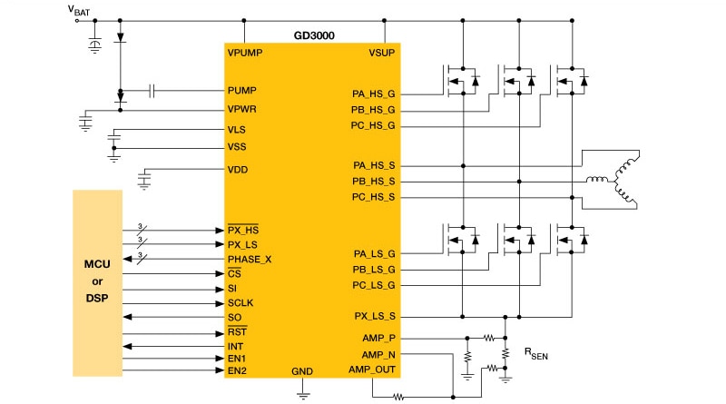
框图

3相无刷电机预驱动器

GD3000 Block Diagram

特性

主要特性

  • 8V至40V范围内完全可设定,涵盖12V和24V汽车系统
  • 扩展电压范围为6V至60V,涵盖12V和48V系统
  • 栅极驱动能力大于1A,具有保护功能
  • 防止来自外部FET CGD和CGS的反向电荷注入
  • 包含一个电荷泵,能以低电池电压支持FET全面驱动
  • 可通过SPI端口设置死区时间
  • 通过安全的SPI命令实现同步输出功能
  • 温度范围:-40至+125°C,-20至105°C
  • 扩展工作电压范围:6V至60V
  • 可通过SPI端口设置较宽的死区时间范围(50ns至12μs)
  • 外部FET栅极驱动能力大于1A,具有保护功能
  • 电荷泵能够确保以较低的电源电压提供足够的外部FET驱动
  • 保护设备,防止来自外部FET CGD和CGS的反向电荷注入
  • 内置过流、欠流和相位故障检测功能
  • 可耐受栅极驱动器上的正、负瞬态峰值电压
  • 死区时间控制中内置电流击穿保护
  • 支持3.3V和5V逻辑电平直接接入MCU
  • 集成的电流感测放大器
  • 通过SPI进行设备配置和诊断
  • 并行SPI接口及输入控制器

购买/参数










































































































文档

快速参考恩智浦 文档类别

7 文件

紧凑列表

培训资料 (1)
工程设计要点 (1)
应用笔记 (2)
数据手册 (2)
选型指南 (1)

设计文件

硬件

快速参考恩智浦 板类型.

1-5 / 24 硬件

展开

软件

快速参考恩智浦 软件类型.

2 软件文件

注意: 推荐在电脑端下载软件,体验更佳。

培训

1 培训