应用笔记 (2)
手册 (1)
-
Safety System Basis Chip for Automotive Brochure[SBCAUTOBRA4]
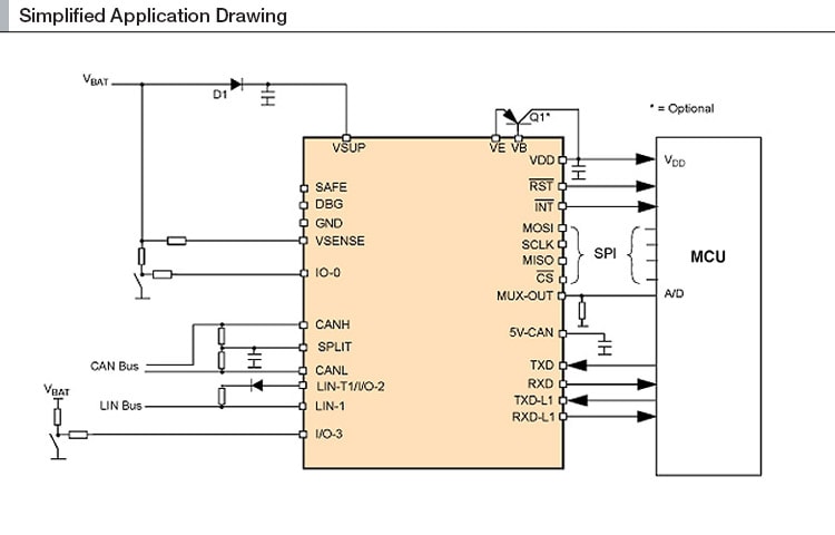
The NXP® MC34903 is an analog companion chip for the MCU and combines several voltage regulators, interface, monitoring and control, and other features to enhance present module designs targeting the industrial market.

|
|
|
|
|
|
|
|---|---|---|---|---|---|
|
|
|
|
|
|
|
|
|
|
|
|
|
|
|
|
|
|
|
|
|
|
|
|
|
|
|
|
|
|
|
|
|
|
|
|
|
|
|
|
|
|
|
|
|
|
|
|
|
|
|
|
|
|
|
|
|
|
|
|
|
|
|
|
|
|
|
|
|
|
快速参考恩智浦 文档类别
4 文件
紧凑列表
安全文件正在加载,请稍等