LIN系统基础芯片

查看产品图片

产品详情

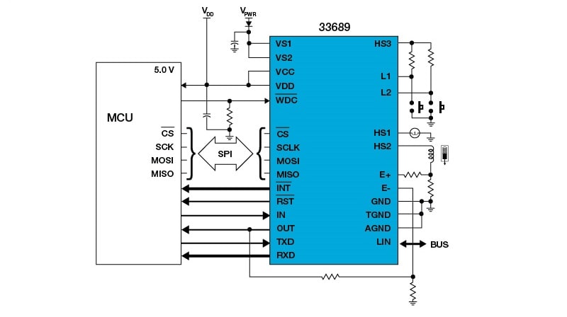
框图

MC33689 Simplified Application Block Diagram

MC33689 Simplified Application Block Diagram

Features

General

  • 全双工SPI接口,频率高达4.0 MHz
  • LIN收发器可达100 kbps,带有波形整形功能
  • 5.0 V低压差稳压器,具有全面故障检测和保护功能
  • 一个50 mA和两个150 mA受保护的高边开关
  • 电流检测放大器
  • 兼容LIN规范2.0

购买/参数










































































































文档

快速参考恩智浦 文档类别

5 文件

紧凑列表

产品变更通知 (1)
勘误表 (1)
应用笔记 (2)
数据手册 (1)

设计文件

工程服务

4 工程服务

要查找支持该产品的其他合作伙伴产品,请访问我们的 合作伙伴市场.

支持

您需要什么帮助?