FlexGUI:评估参考设计套件的软件工具

点击播放视频

软件详情

特性

选择您的配置

  • 选择评估板和模拟IC(系列、型号及版本)
  • 选择评估板配置预设(代表物理布线、跳线等)
  • 选择使用的MCU (板载或独立扩展板)

了解工作区

  • 扫描已连接的评估板,或在无硬件情况下使用虚拟板进入模拟模式
  • 配置MCU属性(SPI、GPIO等)
  • 配置模拟IC特定属性(工作模式、看门狗等)
  • 支持选项卡分离,适配宽屏或多显示器设置
  • 可调整界面行为与布局,充分利用屏幕尺寸

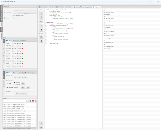
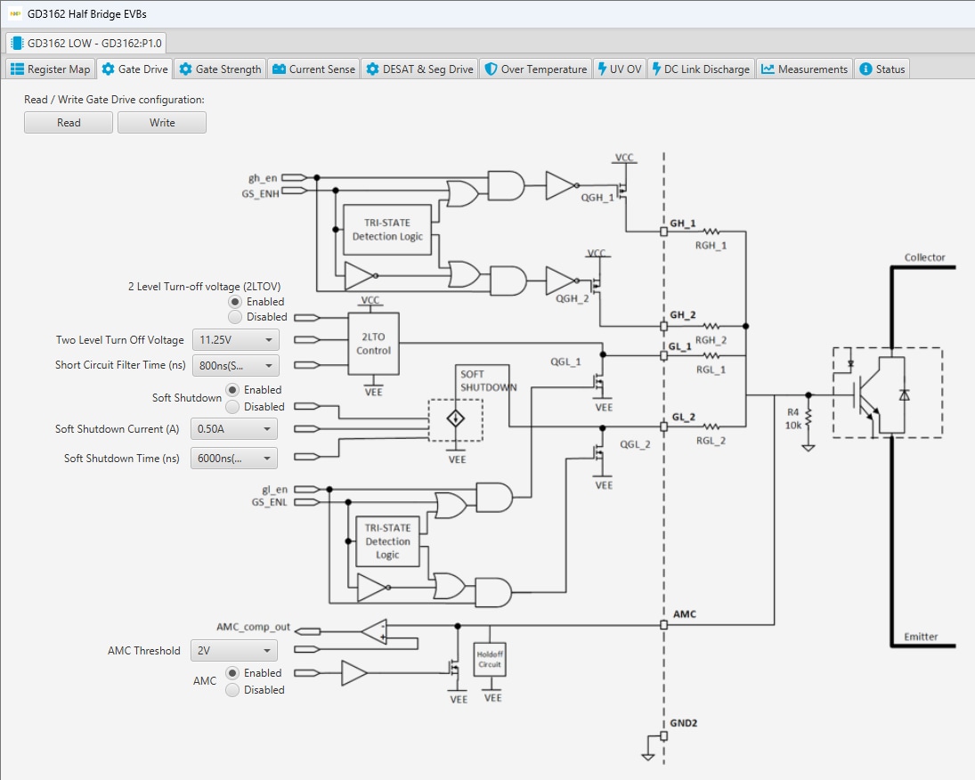
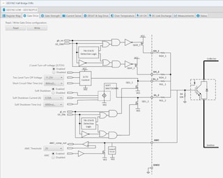
配置与监控模拟IC

  • 功能块高层级配置的框图
  • 状态与事件报告
  • 测量数据图表

使用寄存器映射进行评估

  • 浏览寄存器功能组并搜索寄存器
  • 以原始十六进制值、独立位域及位组形式显示读写值
  • 显示用户友好的寄存器值配置选项
  • 将选定寄存器值导出至脚本编辑器,供自定义脚本使用

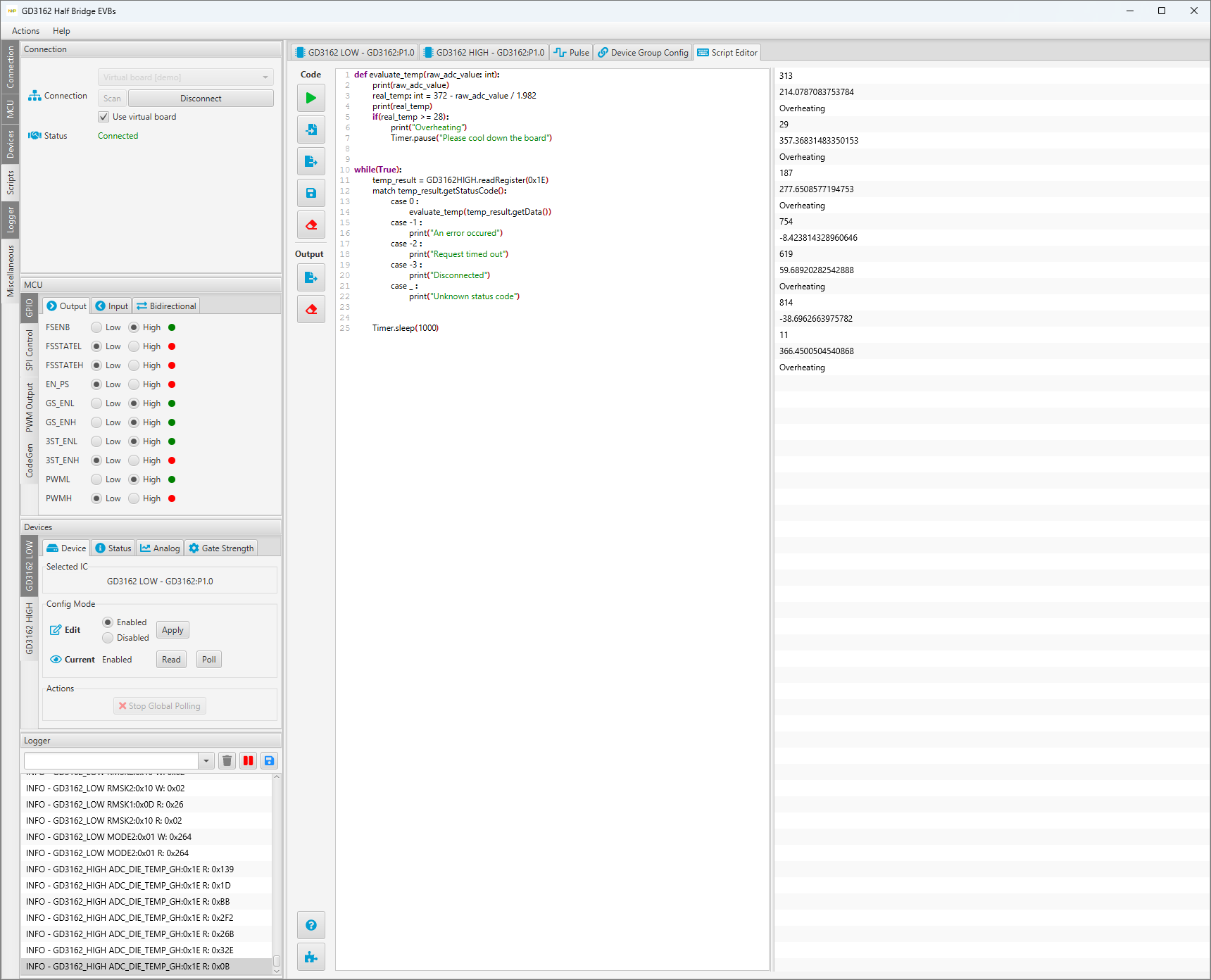
使用脚本编辑器进行评估

  • 创建自定义Python脚本,用于访问评估板的MCU及板载模拟IC
  • 生成可读写寄存器、GPIO值、CAN消息的命令(函数调用)
  • 加载与保存脚本,便于与他人共享
  • 使用快速启动(单击)功能来启动常用脚本

支持的MCU

  • KL25Z、MCXA153、S32K144、S32K148

系统要求

  • 基于FlexGUI的桌面应用
    • 主机操作系统:Windows 7、8、10、11
    • 硬盘空间:150 MB
    • 所需硬件:产品专用EVB,带USB接口,可连接至主机PC

支持的器件

下载

快速参考恩智浦 软件类型.

1-5 / 12 下载

展开

注意: 推荐在电脑端下载软件,体验更佳。

文档

快速参考恩智浦 文档类别

9 文件

紧凑列表

用户手册 (1)
用户指南 (8)

设计资源

硬件

快速参考恩智浦 板类型.

1-5 / 37 硬件

展开

支持

您需要什么帮助?