3相场效应晶体管预驱动器

滚动图片以放大

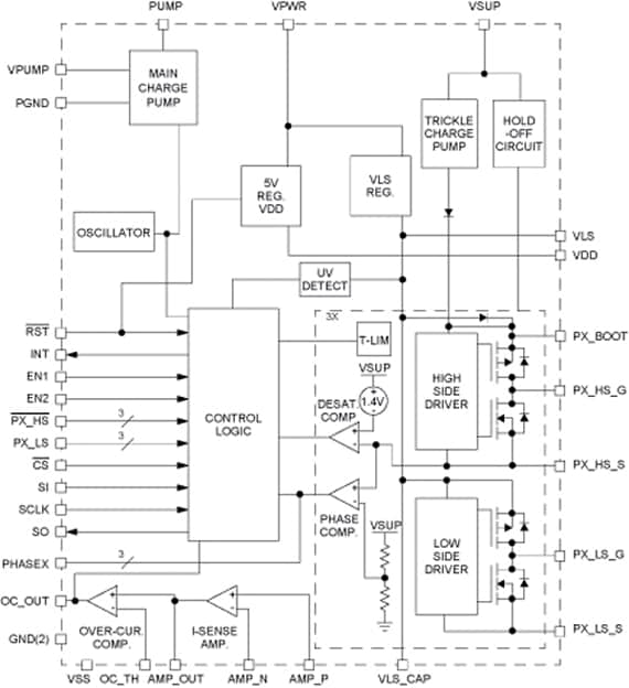
框图

MC34937电源启动

MC34937 Power Actuation Block Diagram

特性

主要特性

  • 8.0至40V范围内完全可设定,涵盖12V和24V汽车系统
  • 扩展电压范围为6.0V至58V,涵盖12V和42V系统
  • 大于1.0A的栅极驱动能力,具有保护功能
  • 防止来自外部FET CGD和CGS的反向电荷注入
  • 包含一个电荷泵,能以低电池电压支持FET全面驱动
  • 可通过SPI端口设置死区时间
  • 负载电流(IL)1A(典型值)
  • 6个通道
  • 漏源导通电阻:5500mOhm RDS(ON)(典型值)
  • 并行SPI接口及输入控制器

产品长期供货计划

购买/参数










































































































文档

快速参考恩智浦 文档类别

10 文件

紧凑列表

勘误表 (1)
工程设计要点 (2)
应用笔记 (2)
数据手册 (1)
用户指南 (2)
选型指南 (2)

设计文件

硬件

快速参考恩智浦 板类型.

1-5 / 17 硬件

展开

软件

快速参考恩智浦 软件类型.

3 软件文件

注意: 推荐在电脑端下载软件,体验更佳。

工程服务

2 工程服务

要查找支持该产品的其他合作伙伴产品,请访问我们的 合作伙伴市场.

支持