包装信息 (2)
培训资料 (1)
-
Application Hints Rev 1 TJA1081[ApplicationHints_Rev_1_TJA1081_1]
封装信息 (1)
支持信息 (1)
-
Footprint for reflow soldering[SSOP-TSSOP-VSO-REFLOW]
数据手册 (1)
-
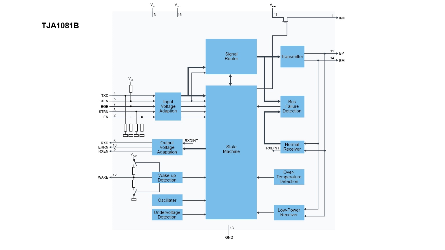
FlexRay node transceiver[TJA1081B]
白皮书 (1)
-
利用汽车到云连接 延长电动汽车的行驶距离[VEHCLOUDCONWPA4]







