包装信息 (1)
培训资料 (1)
-
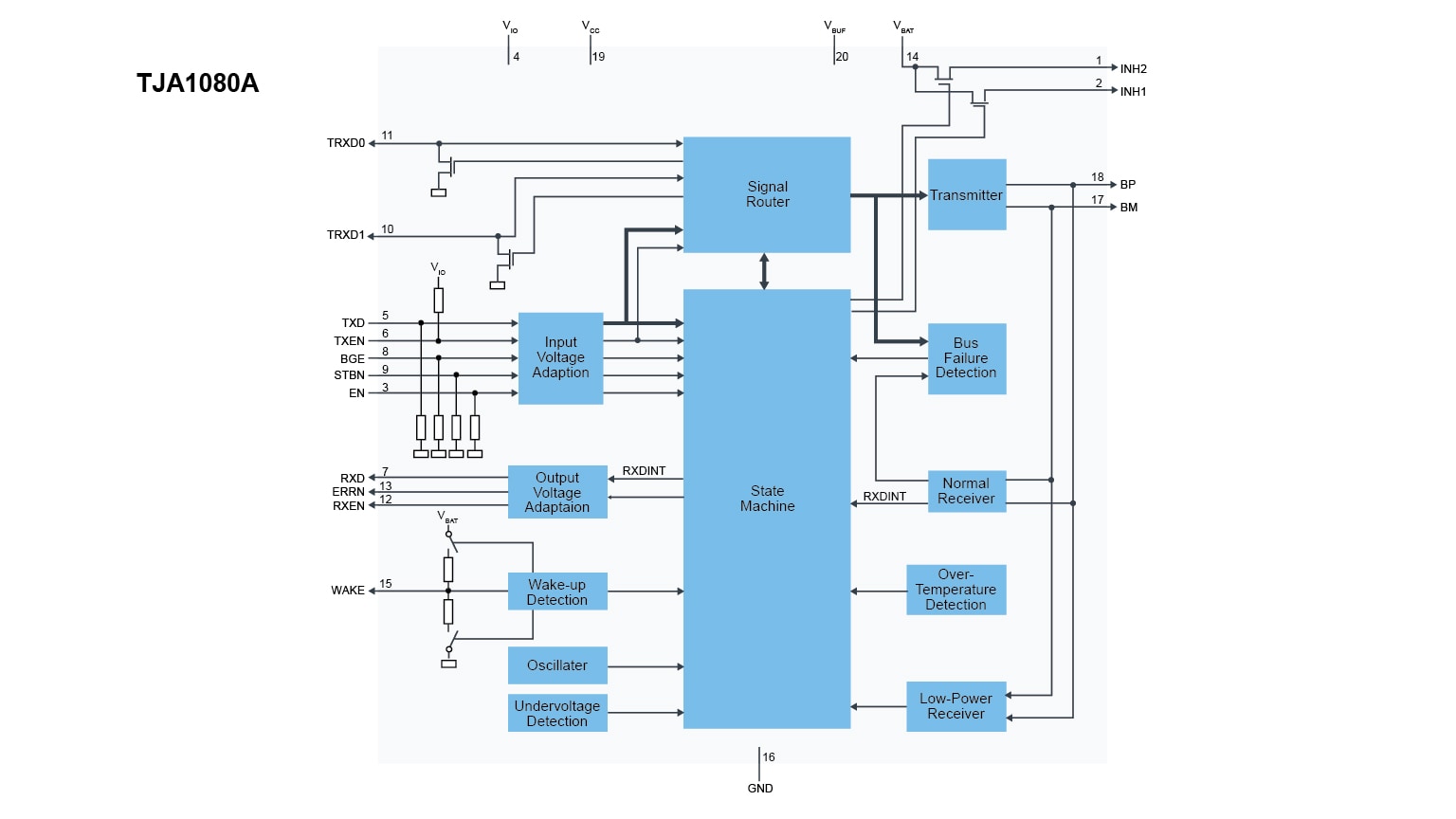
Application Hints Rev_1.1 TJA1080A[ApplicationHints_Rev_1_1_TJA1080A]
封装信息 (1)
支持信息 (1)
-
Footprint for wave soldering[SSOP-TSSOP-VSO-WAVE]
数据手册 (1)
-
FlexRay transceiver[TJA1080A]

