FlexRay节点收发器——Clamp 15

查看产品图片

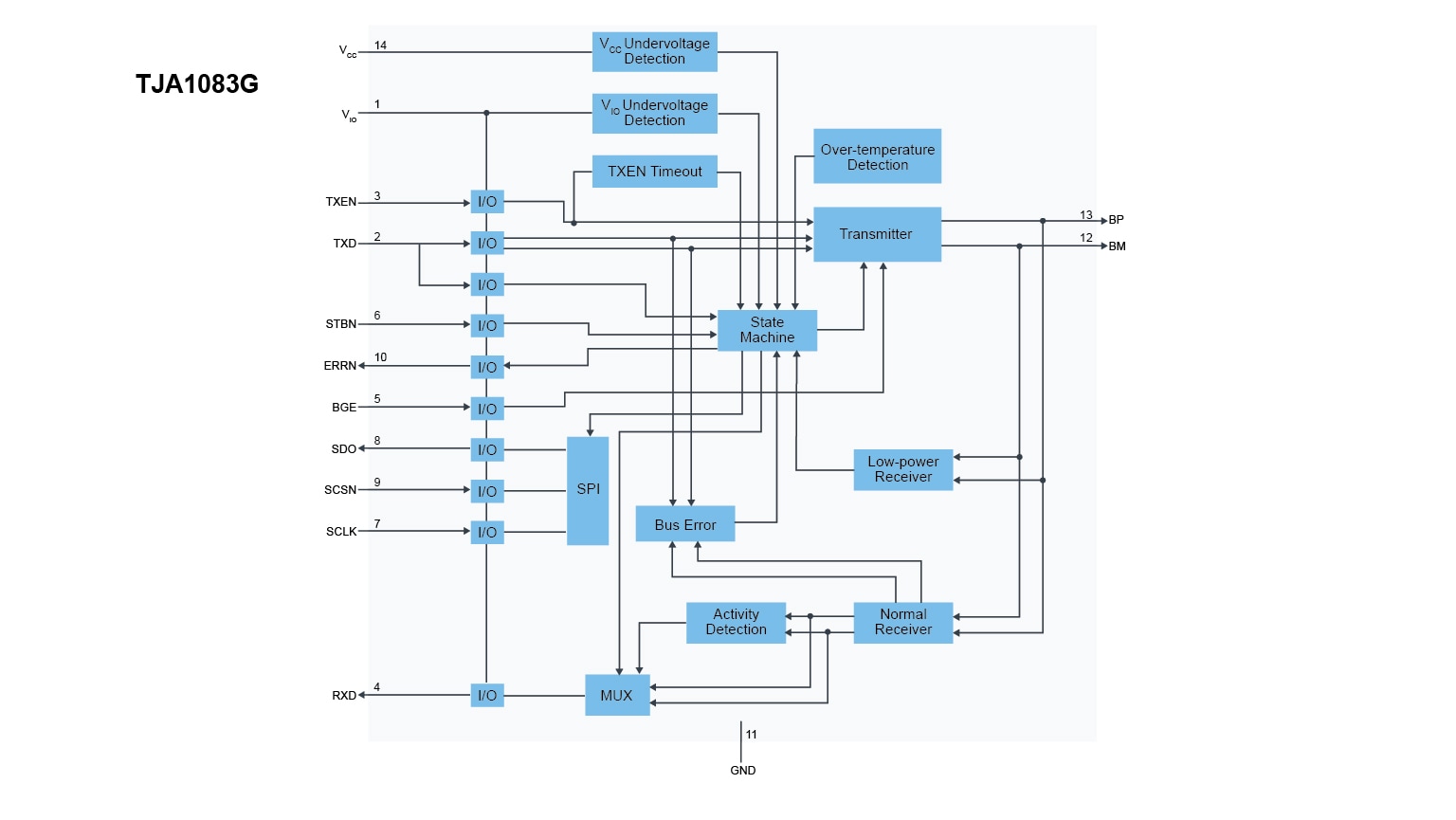
框图

TJA1083G

TJA1083G Block Diagram

特性

适用于时间触发的通信系统

  • 符合ISO17458-4:2013标准(参见参考2)
  • 符合AEC-Q100标准的汽车电子产品
  • 2.5Mbit/s至10Mbit/s的数据传输速率
  • 当差分输入电压为400mV时,支持60ns的最小位时间
  • 电磁辐射(EME)很低,支持非屏蔽电缆,满足最新的行业标准
  • 差分接收器具有大范围共模,实现了卓越的电磁抗扰性(EMI),满足最新的行业标准
  • I/O电平自动适应主机控制器的供电电压VIO
  • 可在14V、24V和48V供电系统中使用
  • 即时发送器关断接口(BGE引脚)

低功耗管理

  • 待机模式下的电流消耗非常低
  • 通过总线线路上的唤醒模式或专用FlexRay数据帧进行远程唤醒

诊断和稳健性

  • VCC和VIO的增强电源电压监测
  • 两种误差诊断模式:
    • 通过串行外设接口(SPI)进行状态寄存器读取
    • 通过引脚ERRN指示简单误差
  • 过温检测
  • 总线线路上的短路检测
  • 上电标志
  • 引脚TXEN和BGE的钳位诊断
  • 按照IEC61000-4-2对总线引脚提供抗±6kV ESD脉冲保护,根据HBM提供抗±8kV ESD脉冲保护
  • 在汽车电子环境中对总线引脚提供抗瞬态保护(符合ISO7637 C类)
  • 总线引脚对电池电压(14V、24V和48V)和接地具有短路保护
  • 引脚BP或BM和任何其他引脚之间的最大差分电压为±60V
  • 当收发器未通电时总线线路保持被动
  • 当收发器未通电时,没有从数字输入引脚至VIO或VCC的反向电流

符合FlexRay电气物理层规范V3.0.1的功能类别

  • 总线驱动器——总线监护控制接口
  • 总线驱动器——逻辑电平适应
  • 总线驱动器——远程唤醒

购买/参数










































































































文档

快速参考恩智浦 文档类别

2 文件

紧凑列表

设计文件

支持

您需要什么帮助?