适用于BSC913x板的射频模块

滚动图片以放大

产品详情

支持的器件

处理器和微控制器

Qonverge平台

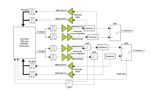
射频

面向无线基础设施的LNA

特征

无线

  • 双射频接收器,用于2x2 LTE系统
  • 双射频发射器,用于2x2 LTE系统
  • 支持所有LTE频段和带宽
  • 单个天线端口支持所有WCDMA (HSPA+)频段
  • 高达64 QAM的调制方案
  • 单卡支持2x2 MIMO
  • 单卡支持双频段运行
  • FDD和TDD型号
  • 灵活的射频卡架构,支持各种频段组合
  • 支持从1.4 MHz至20 MHz的带宽,最大TX输出功率为+13 dBm

文档

快速参考恩智浦 文档类别

1 文件

紧凑列表

设计资源

软件

快速参考恩智浦 软件类型.

1 软件产品

支持

您需要什么帮助?