封装信息 (1)
应用笔记 (3)
-
TJA1040 high speed CAN transceiver[AN10211]
-
TJA1050 high speed CAN transceiver[AN00020]
支持信息 (1)
-
Footprint for reflow soldering[SO-SOJ-REFLOW]
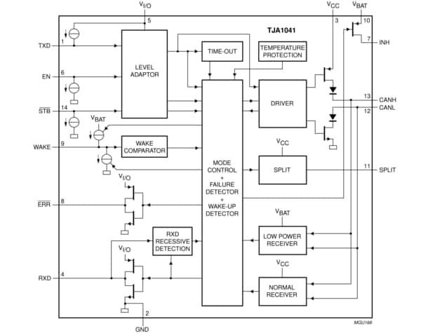
在控制器区域网络(CAN)节点中,TJA1041成为协议控制器和物理总线之间的高级接口。TJA1041主要用于车用高速CAN应用(最大1 Mbit/s)。该收发器为总线提供差分发射能力并为CAN控制器提供差分接收能力。TJA1041完全兼容ISO 11898标准,且提供极佳的电磁兼容性(EMC)性能、极低的功耗和电源电压关闭时的无源性能。高级功能包括:

低功耗电源管理
保护和诊断(检测和信令)
|
|
|
|
|
|
|
|---|---|---|---|---|---|
|
|
|
|
|
|
|
|
|
|
|
|
|
|
|
|
|
|
|
|
|
|
|
|
|
|
|
|
|
|
|
|
|
|
|
|
|
|
|
|
|
|
|
|
|
|
|
|
|
|
|
|
|
|
|
|
|
|
|
|
|
|
|
|
|
|
|
|
|
|
快速参考恩智浦 文档类别
6 文件
紧凑列表
安全文件正在加载,请稍等
1-5 / 6 工程服务
There are no results for this selection.
要查找支持该产品的其他合作伙伴产品,请访问我们的 合作伙伴市场.