ISO K线串行链路接口

查看产品图片

产品详情

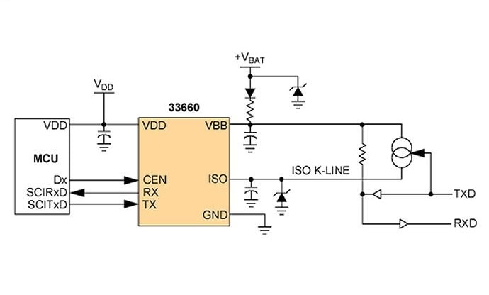
框图

MC33660简化应用绘图

MC33660 Simplified Application Drawing

特性

主要特性

  • 可在8至18V的宽电源电压范围内运行
  • 工作温度范围:-40至125°C
  • 直接与标准CMOS微处理器连接
  • 可防止电池短路的ISO K线引脚
  • 带滞后功能的热关机
  • 能承受高电流的ISO K线引脚
  • ISO K线可在寄生电容高达10nF的情况下驱动
  • 采用少量额外组件,可获得8.0kV ESD保护
  • 待机模式:VDD为5V时无VBat电流消耗
  • 在5V VDD下运行时,消耗的电流较低

购买/参数










































































































文档

快速参考恩智浦 文档类别

2 文件

紧凑列表

设计文件

硬件

快速参考恩智浦 板类型.

1 硬件产品

工程服务

2 工程服务

要查找支持该产品的其他合作伙伴产品,请访问我们的 合作伙伴市场.

支持

您需要什么帮助?