SD、SDIO、Mini SD、Micro SD和SIM卡电压电平转换器,具有EMI滤波器和ESD保护功能

点击图片以展开

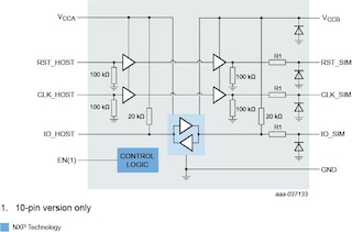
框图

NVT4858

NVT4858 Block Diagram

特性

主要特性

  • 支持最高208MHz的时钟速率
  • 符合SD 3.0规范的电压转换,支持SDR104、SDR50、DDR50、SDR25、SDR12、高速和默认速度模式
  • 符合ISO-7816 SIM/智能卡接口要求
  • 支持SD/SIM卡供电,电压范围为1.65V至3.6V
  • 主微控制器工作电压范围:1.08V至1.95V
  • 用于时钟同步的反馈通道
  • 采用先断后合架构,推挽输出级具有低功耗
  • 通过VCCB自动启用和禁用
  • 集成式上拉和下拉电阻:无需外部电阻
  • 集成式EMI滤波器可抑制数字I/O的高次谐波
  • 卡端提供集成8kV ESD保护,符合IEC61000-4-2第四级标准,无需外部ESD二极管
  • 电平转换缓冲器可以让ESD应力远离主机(零钳位概念)
  • 提供0.4mm间距的XQFN16封装和0.35mm间距的WLCSP16封装选项

对比表

NVT4857UK NVT4858UK NVT4858HK
SIM卡电平转换器
内部LDO
封装 WLCSP20 WLCSP16 HQFN16

购买/参数










































































































文档

快速参考恩智浦 文档类别

5 文件

紧凑列表

包装信息 (2)
应用笔记 (1)
数据手册 (1)
简介 (1)

设计资源

设计文件

快速参考恩智浦 设计文件类型.

1 设计文件

硬件

快速参考恩智浦 板类型.

2 硬件

支持

您需要什么帮助?