1
连接2
获取软件3
构建、运行4
创建现在开始试用FRDM-K66F!您可以选择观看短片中的操作顺序或遵循下面列出的详细操作。
Something went wrong! Please try again.
选择开发路径。
了解详情。
Something went wrong! Please try again.
MCUXpresso SDK为免费附赠,包含所有硬件抽象和外设驱动软件的完整源代码,根据宽松的开源许可提供。了解SDK。
点击以下链接,下载FRDM-K66F的预配置SDK版本。
您还可以使用在线SDK构建工具 ,为使用SDK构建工具的FRDM-K66F创建定制SDK包。
Something went wrong! Please try again.
恩智浦提供名为MCUXpresso IDE的免费工具链。
没问题!MCUXpresso SDK支持IAR 、Keil 和命令行GCC 等其他工具。
Something went wrong! Please try again.
MCUXpresso配置工具是一套集成的配置工具,可指导用户创建新的MCUXpresso SDK项目,还提供引脚和时钟工具,以生成支持定制板的初始化C代码。
MCUXpresso配置工具集成在MCUXpresso IDE中,如果使用MCUXpresso IDE,则无需额外下载。如果使用其他工具链,请考虑在此下载配置工具。
Something went wrong! Please try again.
许多示例应用通过MCU UART输出数据,因此需要确保已安装了板虚拟COM端口的驱动程序。运行驱动安装程序之前,必须将板连接至PC。
安装了串行端口驱动程序后,运行您喜欢的终端应用程序,查看MCU UART的串行输出。将终端的波特率配置为115200,数据位配置为8,无奇偶校验位且停止位为1。如需确定FRDM-K66F虚拟COM端口的端口号,请打开设备管理器并查看"端口"组下方。
不确定如何使用终端应用?尝试以下任一教程:Tera Term教程、PuTTY教程。
Something went wrong! Please try again.
Something went wrong! Please try again.
MCUXpresso SDK附带一系列示例应用代码。如需查看内容,请浏览SDK安装中的SDK boards文件夹,并选择板FRDM-K66F:。
如需了解特定示例代码的详细信息,请参阅示例目录中的readme.txt文件。
Something went wrong! Please try again.
如果您对其中的一个或几个示例应用感兴趣,可能想知道如何自己完成构建和调试。MCUXpresso SDK快速入门按步骤介绍了如何轻松地为SDK支持的所有工具链配置、构建和调试演示。
采用以下指南,了解如何使用MCUXpresso IDE打开、构建和调试示例应用。
以下步骤将指导您打开hello_world示例。
在左下角找到快速启动面板
然后点击“导入SDK示例”
点击frdmk66f板,选择导入可在该板上运行的示例,然后点击“下一步”。
使用箭头按钮展开"demo_apps"类别,然后点击hello_world旁边的复选框来选择该项目。要使用UART进行打印(而不是默认的半主机),请清除项目选项下的“启用半主机”复选框。然后点击Next (下一步)
现在点击项目名称,然后点击Build(构建)图标,以构建项目
可以在“控制台”选项卡中查看构建的状态
遵循以下步骤运行hello_world应用。对于其他示例应用,这些步骤可能会略有不同,因为某些应用的路径可能会有额外的文件夹层级。
如果还未完成,在以下路径中打开所需的示例应用工作区:大多数示例应用工作区文件位于以下路径:
/boards////iar 以hello_world演示为例,路径为:
/boards/frdmk66f/demo_apps/hello_world/iar
构建将完成,并且不会报错。
FRDM-K66F板出厂时预装了mbed/CMSIS-DAP调试接口。如果您已经更改了板上的调试OpenSDA应用,请访问OpenSDA,了解如何更新板或将板恢复到出厂状态。
打开PC上的终端应用(如PuTTY或Tera Term),并连接到之前确定的调试COM端口。采用以下设置配置终端:
hello_world应用开始运行,标语显示在终端上。如未显示,请检查您的终端设置和连接
安装MDK工具后,必须安装Keil设备包,才能从调试方面完全支持设备。这些设备包内含存储器映射信息、寄存器定义和闪存编程算法。按照这些步骤安装相应的CMSIS包。
遵循以下步骤运行hello_world应用。对于其他示例应用,这些步骤可能会略有不同,因为某些应用的路径可能会有额外的文件夹层级。
如果还未完成,在以下路径中打开所需的演示应用工作区:
/boards////mdk 此工作区文件名为
/boards/frdmk66f/demo_apps/hello_world/iar/hello_world.uvmpw
FRDM-K66F板出厂时预装了mbed/CMSIS-DAP调试接口。如果您已经更改了板上的调试OpenSDA应用,请访问OpenSDA,了解如何更新板或将板恢复到出厂状态。
hello_world应用开始运行,标语显示在终端上。如未显示,请检查您的终端设置和连接
本节包含采用Kinetis SDK支持的Arm GCC工具链构建并运行KSDK演示应用所需的必要组件的安装步骤。Arm GCC工具有许多使用方式,但此例主要演示其在Windows环境中的使用。虽然这里未讨论,但GCC工具还可与Linux操作系统和Mac OSX配套使用。
从GNU Arm Embedded Toolchain 下载并运行安装程序。这是实际的工具链(例如,编译器、链接器等)。GCC工具链应当对应最新的支持版本,参见Kinetis SDK版本说明。
Minimalist GNU for Windows (MinGW)开发工具提供了一套独立于第三方C-Runtime DLL (如Cygwin)的工具。KSDK所用的构建环境无需使用MinGW Build工具,但充分利用了MinGW和MSYS的基础安装。MSYS提供了一个具有类UNIX界面和相关工具的基本Shell。
mingw-get-setup安装程序:MinGW - Minimalist GNU for Windows Files 运行安装程序。推荐的安装路径为C:\MinGW,也可将其安装到任何位置。
注:此安装路径不包含任何空格。
在Windows操作系统的Path环境变量中添加相应的项目。可在Control Panel->System and Security->System->Advanced System Settings(控制面板→系统和安全→系统→高级系统设置)下的"Environment Variables..."(环境变量)部分找到它。路径为:
\bin 假设默认安装路径为C:\MinGW,此例如下所示。如果路径设置不正确,工具链将无法正常运行。
注:如果您的PATH变量中包含C:\MinGW\msys\x.x\bin(根据KSDK 1.0.0要求),应删除该路径以确保新的GCC构建系统正常工作。
创建新的系统环境变量并命名为Arm GCC_DIR。此变量的值应当指向Arm GCC嵌入式工具链安装路径,此例中的安装路径为:
C:\Program Files (x86)\GNU Tools Arm Embedded\7-2018-q2-update 7 2018
要构建示例应用,请按照这些步骤操作。
将目录更改为示例应用项目目录,路径如下:
/boards////armgcc 对于本指南,确切的路径为:
/boards/frdmk66f/demo_apps/hello_world/armgcc
GCC工具需要J-Link调试接口。要将板上的OpenSDA固件更新为最新的J-Link应用,请访问OpenSDA。安装J-Link OpenSDA应用后,从SEGGER Downloads 下载J-Link驱动程序和软件包。
更改为包含演示应用输出的目录。根据所选的构建目标,使用以下两个路径之一可以找到此输出:
/boards////armgcc/debug /boards////armgcc/release 对于本指南,路径为:
/boards/frdmk66f/demo_apps/hello_world/armgcc/debug
hello_world应用开始运行,标语显示在终端窗口上。
Something went wrong! Please try again.
Something went wrong! Please try again.
选项A:使用MCUXpresso IDE来克隆示例项目。
frdmk66f板,选择导入可在该板上运行的示例,然后点击“下一步”。
选项B:使用MCUXpresso配置工具来克隆与第三方IDE搭配使用的现有MCUXpresso SDK示例。
Something went wrong! Please try again.
首先,我们使用MCUXpresso配置工具中的引脚工具,展示如何在项目中添加一个新的GPIO引脚来使LED闪烁。

PTC9被路由为GPIO,以切换红色LED。在该示例中,使用PTA11来驱动蓝色LED。PTC9。点击其旁边的复选框以取消选中。
PTB22旁边取消选中,然后点击“完成”。
PTA11旁边的复选框以使用该引脚,选择PTA11 GPIO引脚。 
PTA11已经为“led_output”示例配置的FRDM-K66F设置了一个定义的标识符(即“LED_BLUE”)。在引脚表中的PTA11旁,将标识符更改为“My_LED”。


注:时钟和外设文件也可能被标记为正在更新,因为标题已被更改。

PTA11引脚。使用引脚工具创建的pin_mux.h中的#defines #define BOARD_LED_GPIO BOARD_INITPINS_MY_LED_GPIO#define BOARD_LED_GPIO_PIN BOARD_INITPINS_MY_LED_PIN
Something went wrong! Please try again.
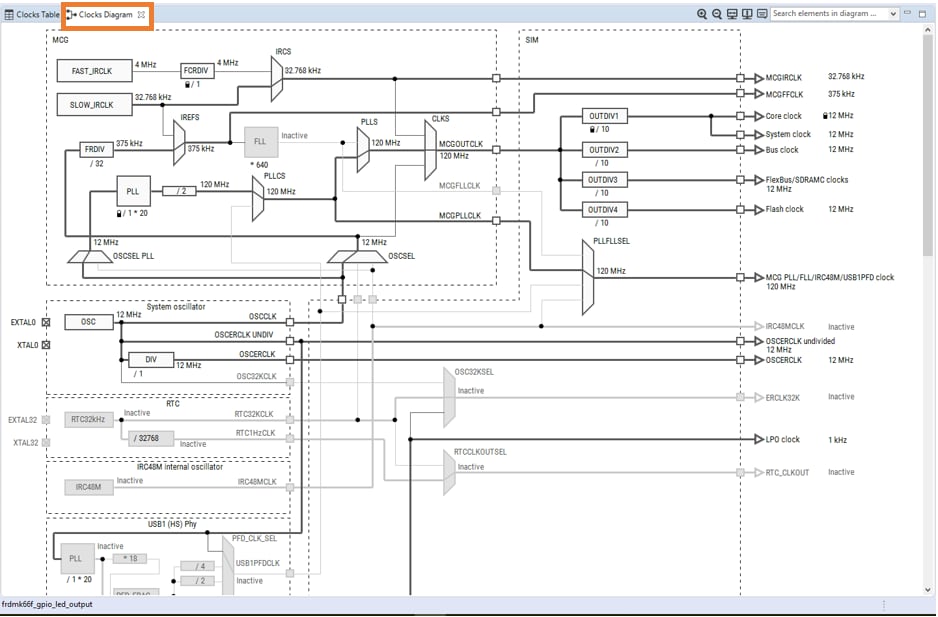
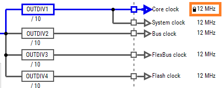
然后,使用MCUXpresso配置工具中的时钟工具来更改时钟设置并更改LED闪烁的速率。

注:引脚和外设文件也可能被标记为正在更新,因为标题已被更改。
Something went wrong! Please try again.
应用修改完成后,您会看到FRDM-K66F的蓝色LED灯缓慢闪烁。还可以使用终端程序查看终端输出。
Something went wrong! Please try again.
Tera Term是一款备受欢迎的开源终端仿真应用。此程序可用来显示从恩智浦开发平台虚拟串行端口发送的信息。
PuTTY是一款备受欢迎的终端仿真应用。此程序可用来显示从恩智浦开发平台虚拟串行端口发送的信息。
与其他工程师交流,并获得使用Kinetis MCU和MCUXpresso软件和工具进行设计的专业建议。在以下两个技术论坛中,选择一个加入论坛讨论: