4路100 ΜΩ/双路50ΜΩ,3.0V至60V高边开关

滚动图片以放大

框图

选择框图:

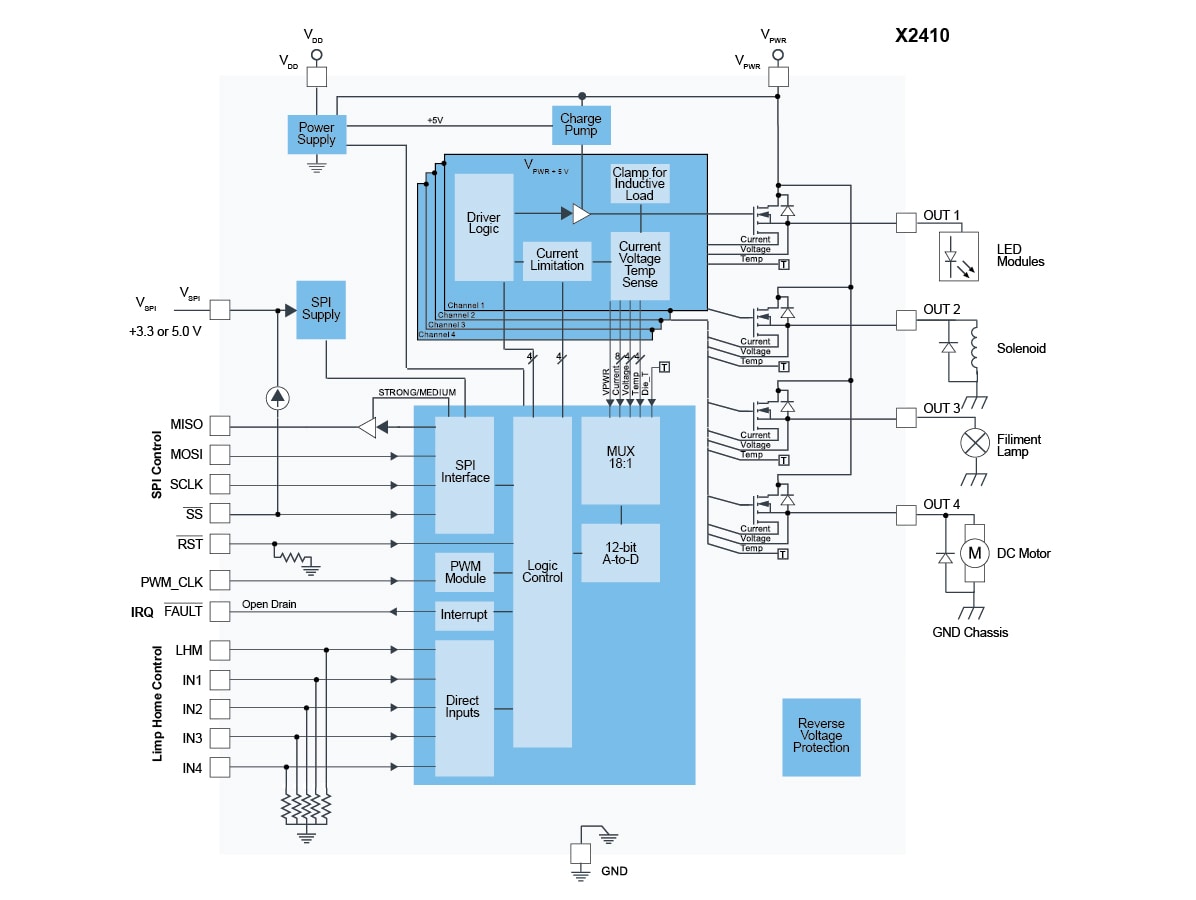
XS2410框图

XS2410 Block Diagram

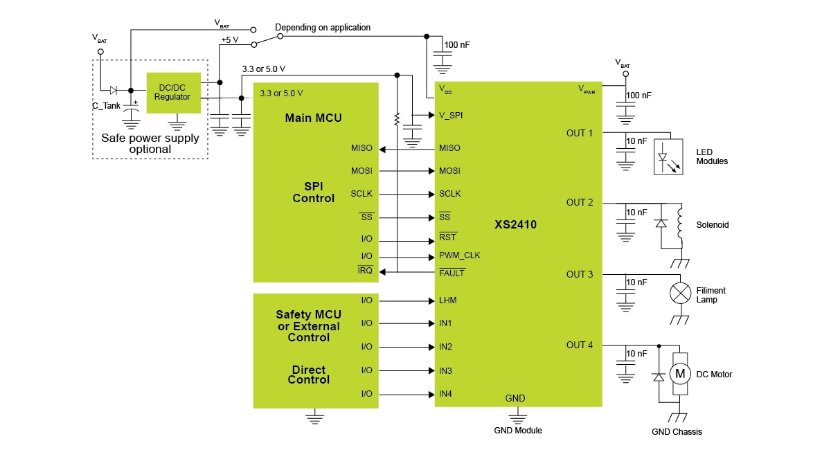
XS2410应用图

XS2410 Application Diagram

特性

器件概述

  • 4个保护完备的100 mΩ /双路50 mΩ (在25 °C下)高边开关
  • 有功电流限制为5A
  • 并联模式可配置,使电流能力提高一倍

工作模式

  • 16位SPI端口通信,3.3V/5V,兼容菊花链功能
  • 可通过SPI总线或直接输入控制输出
  • 通过SPI总线报告诊断状态
  • 看门狗检查无效命令或不活动的SPI,超时时间可编程
  • 安全模式可配置
  • 待机模式的功耗极低

主要功能

  • 可编程中断发生器,向FAULTB引脚或SPI总线报告
  • 4个独立的PWM模块,可通过内部或外部时钟在0.5 Hz至2 kHz范围内进行编程
  • 电池瞬态过电压和反极性电池连接保护
  • 数字PI PWM闭环电流调节
  • 10mA开路负载检测处于ON状态
  • 锁闭,带可配置自动重试功能
  • 严重短路和过载保护可配置
  • 可编程的有功电流限制阈值可最大程度地减少短路影响
  • 负载电流(IL)5A(典型值)
  • 负载电流(IL)6A(最大值)
  • 负载电源电压3V(最小值),60V(最大值)
  • 4通道

ADC的功能

  • 12位ADC,报告以下内容:
    • 5mA至5A的电流
    • 0.5V至65V的电压
    • 每个通道的温度警告和中央模具监测

汽车标准

  • 符合AEC Q100 1级标准
  • 符合ISO 7637-2和ISO 16750-2标准的电气瞬变抗扰度

购买/参数










































































































文档

快速参考恩智浦 文档类别

2 文件

紧凑列表

设计文件

硬件

快速参考恩智浦 板类型.

软件

快速参考恩智浦 软件类型.

1 软件文件

注意: 推荐在电脑端下载软件,体验更佳。

支持

您需要什么帮助?