产品长期供货计划
参与此计划的产品可保证至少10年的供货。此计划下专为汽车、电信和医疗领域而开发的产品可保证15年的供货。
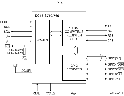
SC16IS740/750/760是一个连接单通道高性能UART的I²C总线/SPI接口。该接口能提供高达5Mbit/s的数据速率并保证较低的工作和睡眠电流。SC16IS750和SC16IS760还为应用提供8个额外的可编程I/O引脚。该器件提供HVQFN24、TSSOP24(SC16IS750/760)和TSSOP16 (SC16IS740)微小封装,非常适合手持电池供电应用。此系列产品能够从I²C总线或SPI至RS-232/RS-485进行无缝协议转换,并且完全可以双向进行。
SC16IS760与SC16IS750的不同之处在于,它支持最大15Mbit/s(SC16IS750仅支持4Mbit/s)的SPI时钟速度,以及它支持最大1.152Mbit/s的IrDA SIR。在所有其他方面,SC16IS760的功能和电气特性与SC16IS750相同。SC16IS740的功能和电气特性与SC16IS750完全相同,但只有SC16IS750上有可编程I/O引脚。
SC16IS740/750/760的内部寄存器组向后兼容广泛使用且流行的16C450。允许从其他平台轻松写入或导入软件。
SC16IS740/750/760还提供其它高级功能,如自动硬件和软件流控制、自动RS-485支持和软件复位。因此,软件不受硬件复位信号的影响,在任何时候都能复位UART。
选择框图:
参与此计划的产品可保证至少10年的供货。此计划下专为汽车、电信和医疗领域而开发的产品可保证15年的供货。
|
|
|
|
|
|
|
|---|---|---|---|---|---|
|
|
|
|
|
|
|
|
|
|
|
|
|
|
|
|
|
|
|
|
|
|
|
|
|
|
|
|
|
|
|
|
|
|
|
|
|
|
|
|
|
|
|
|
|
|
|
|
|
|
|
|
|
|
|
|
|
|
|
|
|
|
|
|
|
|
|
|
|
|
快速参考恩智浦 文档类别
1-10 / 19 文件
紧凑列表
安全文件正在加载,请稍等
2 设计文件
收到完整的详细信息。 请参阅产品足迹及更多信息 电子CAD文件.
安全文件正在加载,请稍等
2 硬件


要查找支持该产品的其他合作伙伴产品,请访问我们的 合作伙伴市场.