包装信息 (2)
封装信息 (2)
应用笔记 (3)
支持信息 (3)
-
Footprint for Wave Soldering[SO-SOJ-WAVE]
-
Footprint for reflow soldering[SO-SOJ-REFLOW]
-
Footprint for wave soldering[SSOP-TSSOP-VSO-WAVE]
数据手册 (1)
-
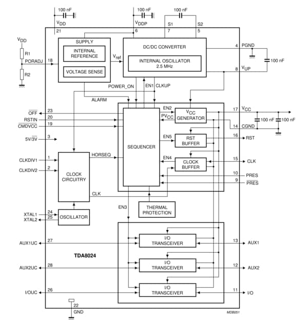
Standard smart card interface[TDA8024]

