NPN宽带硅锗RF晶体管

查看产品图片

产品详情

特征

  • 110 GHz fT硅锗技术
  • 5.8 GHz频率下,最大功率增益18.5 dB
  • 低噪声高增益微波晶体管
  • 5.8 GHz频率下,噪声系数 (NF) = 0.8 dB

Target Applications

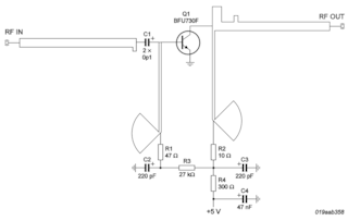
  • 直播卫星高频头第二LNA级和混频级
  • AMR
  • 蓝牙
  • FM收音机
  • GPS
  • Ka频段振荡器DRO
  • 配备低电流电池的应用
  • 微波通信系统低噪声放大器
  • LTE、蜂窝、UMTS
  • 微波驱动器/缓冲器应用
  • 移动电视
  • RKE
  • SDARS第一级LNA
  • Wi-Fi / WLAN / WiMAX
  • ZigBee

购买/参数










































































































文档

快速参考恩智浦 文档类别

1-10 / 12 文件

紧凑列表

封装信息 (1)
应用笔记 (8)
手册 (1)
数据手册 (1)
用户指南 (1)

设计资源

设计文件

快速参考恩智浦 设计文件类型.

3 设计文件

硬件

快速参考恩智浦 板类型.

3 硬件

支持

您需要什么帮助?