NPN宽带硅RF晶体管

查看产品图片

产品详情

特征

  • 低噪声高线性微波晶体管
  • 1.8 GHz频率下高输出三阶交调截取点34 dBm
  • 40 GHz fT硅技术

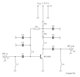
Target Applications

  • Ka频段振荡器DRO
  • C频段高输出缓冲放大器
  • ZigBee
  • LTE、蜂窝、UMTS

购买/参数










































































































文档

快速参考恩智浦 文档类别

5 文件

紧凑列表

封装信息 (1)
应用笔记 (1)
手册 (1)
数据手册 (1)
用户指南 (1)

设计资源

设计文件

快速参考恩智浦 设计文件类型.

1 设计文件

硬件

快速参考恩智浦 板类型.

1 硬件产品

支持

您需要什么帮助?