
紧凑列表

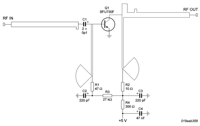
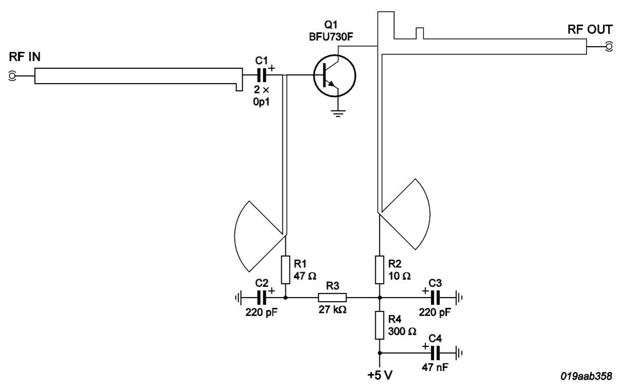
Second stage Ku band LNA using BFU730F in a LNB satellite application.
| 代理商 | 地区 | 库存 | 库存日期 | 订购 |
|---|
Upon selection of a preferred distributor, you will be directed to their web site to place and service your order. Please be aware that distributors are independent businesses and set their own prices, terms and conditions of sale. NXP makes no representations or warranties, express or implied, about distributors, or the prices, terms and conditions of sale agreed upon by you and any distributor.