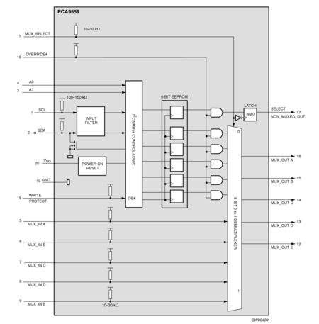
PCA9559是一款20引脚CMOS器件,由一个6位非易失性EEPROM寄存器、5个硬件引脚输入和带有一个闭锁EEPROM位的5位多路复用输出组成。用于无DIP开关或无跳线系统配置并支持移动和桌面VID配置,其中2个预设值(1组内部非易失性寄存器和1组外部硬件引脚)为性能或深睡眠模式中的工作设置处理器电压。由于通过I²C/SMBus可轻松更改设置而无需关闭设备电源以打开机柜,所以当PCA9559用于替换DIP开关或跳线时其在服务器和电信/网络应用中也很有用。非易失性存储器会保留电源关闭前所选的最新设置。
当用于CPU VID(电压识别代码)配置时,PCA9559一般放在CPU和电压调节器模块(VRM)之间。如果想要增加CPU电压,则其用于旁通CPU定义的VID值并提供一组不同的VID值给VRM。伴随CPU频率增加的CPU电压增加会带来最大7.5pct的性能提升。更低的CPU电压会降低功耗。
PCA9559具有2个地址引脚,允许在同一I²C总线或SMBus上安置最多4个器件。

|
|
|
|
|
|
|
|---|---|---|---|---|---|
|
|
|
|
|
|
|
|
|
|
|
|
|
|
|
|
|
|
|
|
|
|
|
|
|
|
|
|
|
|
|
|
|
|
|
|
|
|
|
|
|
|
|
|
|
|
|
|
|
|
|
|
|
|
|
|
|
|
|
|
|
|
|
|
|
|
|
|
|
|
快速参考恩智浦 文档类别
6 文件
紧凑列表
安全文件正在加载,请稍等