由于电池的非线性特性和内部环境评估,估算电池荷电状态(SoC)既困难又复杂。神经网络和恩智浦的基于模型的设计工具箱(MBDT)有助于简化估算电池SoC算法的开发。
现代电池管理系统(BMS)确保电池组在电动汽车、电源、智能手机、MP3播放器和大多数电池驱动设备的各种解决方案中安全高效地运行。计算电池的荷电状态(SoC)是现代电池管理系统最关键的一个功能,该系统评估电池荷电状态,就像手机中显示的电池百分比一样。准确估算SoC可保护电池,防止放电/过充电并提高其寿命;它还允许解决方案执行节能控制策略。
传统上,工程师需要建立一个非常精确的电池模型才能得到合理的估算,但这往往很难描述。这个问题促使人们寻找一种替代方案,人工智能在其中发挥了作用。电池电源管理开发人员开始使用自适应系统,如神经网络(相当简单的网络),来创建电池的数据驱动模型,并评估电压、电流和环境温度的历史记录,使用这些模型来获得非常准确的SoC估算。
基于模型的救援
估算电池SoC具有挑战性和复杂性,因为电池配置是非线性的(很难正确建模),而且内部环境很难评估(比较实验室条件和现实世界条件),因此增加了电池1的不稳定性。基于模型的算法是目前估算锂离子电池2SoC研究最多的技术。工程师们在基于模型的研究中发现,设计和部署稳健解决方案的范式发生了变化。基于模型的设计(MBD)意味着将实现特定功能的图形元素放在一起,以设计应用。使用MBD构建解决方案相对简单。应用逻辑图被转录到基于模型的软件环境中,可实现控制算法。
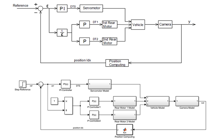
在基于模型的软件环境(MathWorks®提供的Simulink®)上,通过摄像头输入及其转换算法控制汽车的示例图
在这些MBD环境中开发应用有助于实现以下功能:
- 模拟:在与硬件交互之前验证算法可以节省时间和金钱
- 自动生成 代码:避免许多手写代码问题,同时提高设计稳定性/误差稳健性
- 重用:一旦模型准备就绪并经过彻底测试,就可以在任何其他模型中重用该功能
- 聚焦应用本身:查看表示应用(算法、逻辑…)的图表,而不是研究大量代码行,搜索嵌入的注释以理解其含义——不纠缠于次要细节,而是以应用/模型为中心
使用MBD观点有助于弥补现代应用日益增加的复杂性。它还利用了嵌入式设计开发中常用的软件抽象层(硬件优化的设备驱动程序,加上实现特定功能的中间件和库),同时增强了驱动程序的代码优化和可重用性。
与典型的开发工作流程(即编写(C代码)应用算法,并将其与特定硬件函数调用集成)相比,代码是在MBD开发中从模型自动生成的。此外,它还可以与必要的硬件专用软件配合使用,将编程转换为模块参数配置。
MATLAB和基于模型的设计工具箱
此外,我们提供 S32 Design Studio IDE,在该IDE中,通过构建、调试和配置嵌入式工具执行编程(允许以图形化方式设置和初始化设计中使用的驱动程序、中间件和库)。除了经典的调试器选项外,我们还提供FreeMASTER,这是恩智浦的数据可视化工具,支持实时应用调试,可验证系统行为是否具有强制性能。FreeMASTER的功能包括写入和读取变量、内存位置以及监控嵌入式目标上的所需信号等选项。
模型在环(MiL)
MBD应用可以在Simulink生态体系中使用其模拟功能进行验证,而测试和验证可以从需求定义阶段开始执行,也可以设计和模拟简单的模型来验证算法的高级行为。之后,人们可以在更详细的水平上对设计的某些功能和子系统进行独立建模、测试和模拟;还可以显示和分析结果——所有这些都可以在支持PC的环境中检查此想法的可行性。
软件在环(SiL)
在模拟结果满足所施加的系统行为后,可以在主机PC上生成和执行代码,进行设计。SiL提供了如何将实现的逻辑转录成代码的想法,应用在目标系统上运行之前,为代码优化和效率改进创建背景。
处理器在环(PiL)
应用的各种模型或部分部件可以直接在目标上进行测试。PiL提供与所选硬件运行开发的应用逻辑的能力相关的信息。 工程师可以比较在所有这些阶段获得的结果,支持在每个开发阶段测试设计。
MCU最终应用
MBDT简化了从先前测试和验证的模块构建应用,并将其部署为最终解决方案。工程师可在任何阶段使用MBDT来利用其功能:数学函数模拟、代码生成和MCU驱动器配置与控制。
MATLAB和基于模型的设计工具箱
如需获得更好的体验,请下载图片。。
除了强大的MBDT功能和特性,我们的MBDT团队还提供了一个广泛的在线工程支持网络社区,其中包含代码示例、论坛答案、快速入门指南、101个教程和更多资源,用于开始设计、验证和部署嵌入式应用:MBDT网络社区。他们还开发了一系列在线研讨会,从初级到高级,展示 电机控制 (指导如何从头开始构建PMSM或BLDC应用程序,逐步完成开发过程)或 电池管理系统 应用(包括使用MathWorks 将基于深度学习的荷电状态估算算法部署到NXP S32K3 MCU 培训中)
使用基于模型的设计工具箱(MBDT)可以简化电池荷电状态(SoC)估算算法的开发,有助于电池管理系统(BMS)的嵌入式软件开发。MBDT利用软件抽象层从SoC算法模型自动生成代码,轻松地将编程转换为模块参数配置。
- Ingvild B. Espedal、Asanthi Jinasena、Odne S. Burheim和Jacob J. Lamb撰写的“Current Trends for State-of-Charge (SoC) Estimation in Lithium-Ion Battery Electric Vehicles”(电动汽车锂离子电池荷电状态(SoC)估算的当前趋势),Energies 2021 – 14, 2021,网址:https://www.mdpi.com/1996-1073/14/11/3284/pdf
- Shi Li、Changfu Zou、Mirco Küpperc和Stefan Pischingera撰写的“Model-based state of charge estimation algorithms under various current patterns”(各种电流模式下基于模型的电荷状态估算算法),Energy Procedia –2019年第158卷,网址:https://www.sciencedirect.com/science/article/pii/S1876610219311208