Sign in to access this content and additional site features.
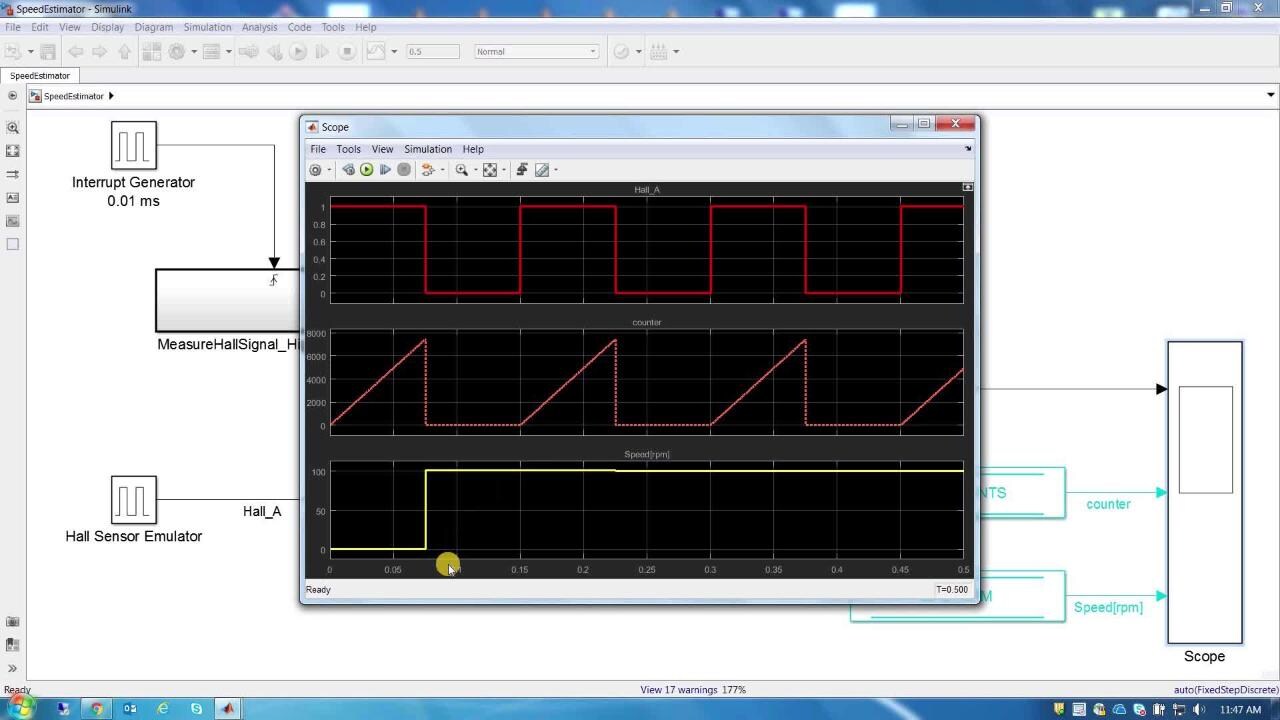
Demonstrate how to use Processor-in-the-Loop (PIL) approach to generate the C-code and to validate the algorithm on the real hardware in co-simulation enviroment.
For further questions please join our community