应用笔记 (2)
数据手册 (1)
-
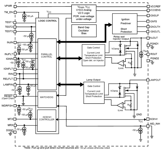
Multifunctional Ignition and Injector Driver[MC33812]亮点
用户指南 (2)
简介 (1)
-
SMALLENGINELF, Small engine leaflet - Fact sheet[SMALLENGINELF]
选型指南 (1)
-
面向工业市场的模拟产品 - 简介[INDCONTANLPRDFL]




