数据手册 (3)
-
GreenChip SMPS control IC[TEA18363T_2]
-
TEA18363LT, GreenChip SMPS Control IC Data Sheet[TEA18363LT]
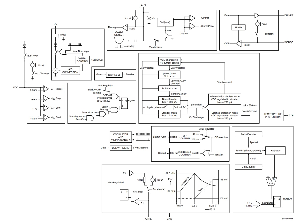
The TEA18363 is a controller IC for low-cost Switched Mode Power Supplies (SMPS). It is intended for flyback topologies. The built-in green functions provide high efficiency at all power levels.
At high power levels, the flyback operates in Quasi-Resonant (QR) mode. At lower power levels, the controller switches to Frequency Reduction (FR) or Discontinuous Conduction Mode (DCM) and limits the peak current to approximately 25 % of the maximum peak current. Valley switching is used in all operating modes.
At low power levels, when the flyback switching frequency drops below 25 kHz, the flyback converter switches to burst mode. A special burst mode has been integrated which reduces the opto current to a minimum level, ensuring high efficiency at low power and excellent no-load power performance. As the switching frequency in this mode has a minimum value of 25 kHz while the burst frequency is below 800 Hz, the frequencies are outside the audible range. During the non-switching phase of the burst mode, the internal IC supply current is minimized for further efficiency optimization.
The TEA18362 includes an accurate OverPower Protection (OPP). The OPP enables the controller to operate in overpower situations for a limited amount of time. If the output is shorted, the system switches to the low-power mode where the output power is limited to a lower level.
The TEA18363 is manufactured in a high-voltage Silicon-On-Insulator (SOI) process.
The SOI process combines the advantages of a low-voltage process (accuracy, high-speed protection, functions, and control) while maintaining the high-voltage capabilities (high-voltage start-up, low standby power, and an integrated X-capacitor discharge function).
The TEA18363 enables low-cost, highly efficient and reliable supplies for power requirements up to 75 W to be designed with a minimum number of external components.
|
|
|
|
|
|
|
|---|---|---|---|---|---|
|
|
|
|
|
|
|
|
|
|
|
|
|
|
|
|
|
|
|
|
|
|
|
|
|
|
|
|
|
|
|
|
|
|
|
|
|
|
|
|
|
|
|
|
|
|
|
|
|
|
|
|
|
|
|
|
|
|
|
|
|
|
|
|
|
|
|
|
|
|
快速参考恩智浦 文档类别
4 文件
紧凑列表
安全文件正在加载,请稍等