电平转换I²C总线/SMBus中继器
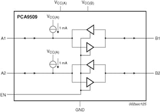
PCA9509是一款电平转换I²C总线/SMBus中继器,它允许处理器低压双线式串行总线连接标准I²C总线或SMBus I/O。在电平转换过程中保留I²C总线系统的所有操作模式和特性的同时,它还允许延伸I²C总线,方法是为数据(SDA)和时钟(SCL)线路提供双向缓冲,从而使能较高电压侧的I²C总线或SMBus最大电容400 pF。端口A允许的电压范围为1.35 V至VCC(B) ‑ 1.0 V,由于其内部具有电流源,因此无需外部上拉电阻。端口B允许的电压范围为3.0 V至5.5 V并且可耐受过压。当PCA9509未上电时,端口A和端口B上的SDA和SCL引脚为高阻抗。
对于其端口A VCC(A)少于1.35 V或端口 B VCC(B)少于3.0 V的应用,请使用简易替代产品PCA9509A。
当端口A使用电流感应机制来检测输入或输出低电平信号(防止总线锁存)时,总线端口B驱动器符合SMBus I/O电平。端口A使用1 mA上拉电流源和200 Ω下拉驱动器。这导致端口A上为低电平,从而适合于较小的电压摆幅。将内部缓冲器的输入阈值设为约比电平输出电压阈值低50 mV时,端口A上的低电平内部缓冲器输出下拉电压设为约0.2 V。当从内部将端口A I/O驱动至低电平时,输入不会将低电平识别为低电平。这可防止发生锁存情况。端口B上的输出下拉电阻驱动硬低压且输入电平将被设为SMBus或I²C总线电压电平的0.3,这将使端口B连接至任何其他I²C总线器件或缓冲器。
在VCC(A)高于0.8 V且VCC(B)高于2.5 V之前,PCA9509驱动器不会使能。使能(EN)引脚还可用于在系统控制下打开和关闭驱动器。请注意,仅当总线空闲时才会更改EN引脚的状态。
0 Hz至400 kHz时钟频率
备注:由于中继器增加的延迟,最大系统工作频率可能少于400 kHz。
电平转换I²C总线/SMBus中继器
|
|
|
|
|
|
|
|---|---|---|---|---|---|
|
|
|
|
|
|
|
|
|
|
|
|
|
|
|
|
|
|
|
|
|
|
|
|
|
|
|
|
|
|
|
|
|
|
|
|
|
|
|
|
|
|
|
|
|
|
|
|
|
|
|
|
|
|
|
|
|
|
|
|
|
|
|
|
|
|
|
|
|
|
快速参考恩智浦 文档类别
1-10 / 15 文件
紧凑列表
安全文件正在加载,请稍等