电平变换I2C总线转发器

  • 建议不要在新设计中使用本页介绍的产品。

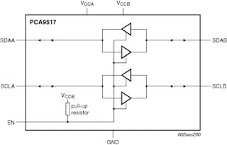
点击图片以展开

产品详情

特征

  • 2通道、双向缓冲器会隔离电容并允许器件两侧有400 pF的电容负载
  • 0.9 V至5.5 V和2.7 V至5.5 V的电压电平变换
  • 引脚和功能取代PCA9515/15A
  • 兼容I²C总线和SMBus
  • 高电平有效的转发器使能输入
  • 开漏输入/输出
  • 无锁定操作
  • 支持横跨转发器的仲裁和时钟展宽
  • 适应标准模式和快速模式I²C总线器件以及多主器件
  • 断电高阻抗I²C总线引脚
  • 0.9 V至5.5 V的A侧工作电源电压范围
  • 2.7 V至5.5 V的B侧工作电源电压范围
  • 5 V耐受I²C总线和使能引脚
  • 0 Hz至400 kHz的时钟频率(最大系统工作频率可能因转发器添加的延迟而小于400 kHz)。
  • ESD保护:按JESD22-A114超过2000 V HBM,按JESD22-A115超过150 V MM,按JESD22-C101超过1000 V CDM
  • 已按照JEDEC标准JESD78完成闭锁测试,超过100 mA
  • 提供封装:SO8和TSSOP8

购买/参数










































































































文档

快速参考恩智浦 文档类别

1-10 / 12 文件

紧凑列表

包装信息 (2)
封装信息 (1)
应用笔记 (2)
  • AN262[AN262]
  • AN255[AN255]
支持信息 (3)
数据手册 (1)
用户指南 (3)

设计资源

设计文件

快速参考恩智浦 设计文件类型.

2 设计文件

工程服务

2 工程服务

要查找支持该产品的其他合作伙伴产品,请访问我们的 合作伙伴市场.

支持

您需要什么帮助?