
I²C总线转发器
PCA9515A是一款CMOS集成电路,主要用于I²C总线和SMBus系统应用。
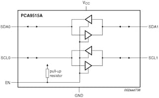
在保留I²C总线系统所有工作模式和功能的同时,它允许通过缓冲数据(SDA)和时钟(SCL)线路以允许扩展I²C总线,从而可使用两条400 pF的总线。
400 pF的I²C总线电容极限会限制器件数和总线长度。使用PCA9515A能使系统设计师将总线隔离成两半,因此能有更多的器件或更长的长度。它还可用于运行两条总线,一条为5 V而另一条为3.3 V或400 kHz和100 kHz总线,当另一条总线需要400 kHz操作时会隔离100 kHz总线。
无法串联 两个或多个PCA9515A 。PCA9515A的设计不允许此配置。由于没有方向引脚,所以使用稍有不同的“合法”低电压以避免输入和输出之间的锁定状况。PCA9515A的输入上应用的“常规低电平”会以稍高的值作为“缓冲低电平”传输。当此“缓冲低电平”应用至串联的另一PCA9515A、PCA9516A或PCA9518/A时,第二个PCA9515A、PCA9516A或PCA9518/A不会将其识别为“常规低电平”且不会再次将其作为“缓冲低电平”传输。PCA9510/A、PCA9511/A、PCA9512/A、PCA9513/A、PCA9514/A无法与PCA9515A、PCA9516A或PCA9518/A串联使用,但可与其自身串联使用,因为其使用切换而非静态偏移以避免锁定状况。
每个内部缓冲器的输出下拉设为大约0.5 V,而每个内部缓冲器的输入阈值设为比输出为内部驱动LOW时的低大约0.07 V。这能防止发生锁定状况。
|
|
|
|
|
|
|
|---|---|---|---|---|---|
|
|
|
|
|
|
|
|
|
|
|
|
|
|
|
|
|
|
|
|
|
|
|
|
|
|
|
|
|
|
|
|
|
|
|
|
|
|
|
|
|
|
|
|
|
|
|
|
|
|
|
|
|
|
|
|
|
|
|
|
|
|
|
|
|
|
|
|
|
|
快速参考恩智浦 文档类别
1-10 / 16 文件
紧凑列表
安全文件正在加载,请稍等
4 设计文件
收到完整的详细信息。 请参阅产品足迹及更多信息 电子CAD文件.
安全文件正在加载,请稍等