双路5位多路复用1位闭锁的I2C EEPROM DIP开关

产品详情

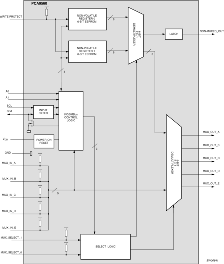
框图

PCA9560 Block Diagram

 PCA9560 Block Diagram

特征

  • 5位三选一多路复用器、1位闭锁DIP开关
  • 5位外部硬件引脚
  • 两个6位内部非易失性寄存器,完全引脚对引脚兼容PCA9559
  • 在两个非易失性寄存器之间选择
  • 在非易失性寄存器和外部硬件引脚之间选择
  • I²C/SMBus接口逻辑
  • 输入引脚和控制信号上的内部上拉电阻
  • 输入上的高电平有效写保护会控制写入非易失性寄存器的能力
  • 2个地址引脚,允许I²C总线上最多4个器件
  • 5个开漏多路复用输出
  • 开漏非多路复用输出
  • 通过I²C总线可对内部6位非易失性寄存器进行编程和读取
  • 通过I²C总线可对外部硬件5位值进行读取
  • 通过I²C总线可颠覆多路复用器选择
  • 工作电源电压为3.0 V至3.6 V
  • 5 V和2.5 V耐受输入/输出
  • 0 至400 kHz时钟频率
  • ESD保护:按JESD22-A114超过2000 V HBM,按JESD22-A115超过200 V MM,按JESD22-C101超过1000 V CDM
  • 已按照JESDEC标准JESD78完成闭锁测试,超过100 mA。
  • 提供封装:SO20、TSSOP20

购买/参数










































































































文档

快速参考恩智浦 文档类别

8 文件

紧凑列表

包装信息 (1)
封装信息 (1)
应用笔记 (3)
数据手册 (1)
用户指南 (2)

设计资源

设计文件

快速参考恩智浦 设计文件类型.

2 设计文件

工程服务

2 工程服务

要查找支持该产品的其他合作伙伴产品,请访问我们的 合作伙伴市场.

支持

您需要什么帮助?