面向电磁控制的可编程栅极驱动器

滚动图片以放大

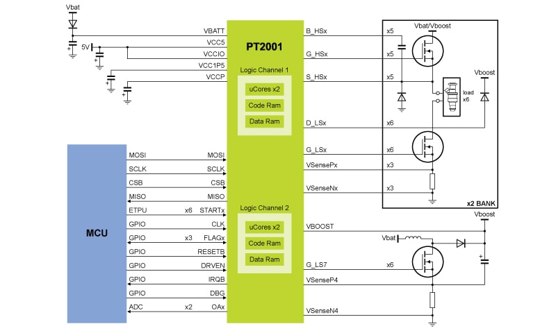
框图

PT2001:面向电磁控制的可编程栅极驱动器

PT2001: Programmable Gate Driver for Solenoid Control Block Diagram

特性

主要特性

  • 电池电压范围:5V
  • 预驱动器工作电压最高为72V
  • 环境工作温度范围:–40°C(最低)至125°C(最高)
  • 5个高边预驱动PWM可高达100KHz
  • 7个低边预驱动PWM可高达100KHz
  • 所有预驱动器都有4个可选的压摆率
  • 12个可选择的预定义VDS监测阈值
  • 符合ISO26262标准的开发
  • 用于保护微代码的加密功能
  • 集成的喷射结束检测功能
  • 动力控制和预驱动器设备功能
  • 4通道

购买/参数










































































































文档

快速参考恩智浦 文档类别

6 文件

紧凑列表

应用笔记 (2)
数据手册 (1)
用户指南 (1)
白皮书 (1)
简介 (1)

设计资源

设计文件

快速参考恩智浦 设计文件类型.

1 设计文件

硬件

快速参考恩智浦 板类型.

1 硬件产品

软件

快速参考恩智浦 软件类型.

4 软件文件

注意: 推荐在电脑端下载软件,体验更佳。

支持

您需要什么帮助?