可配置的8路串联开关

框图

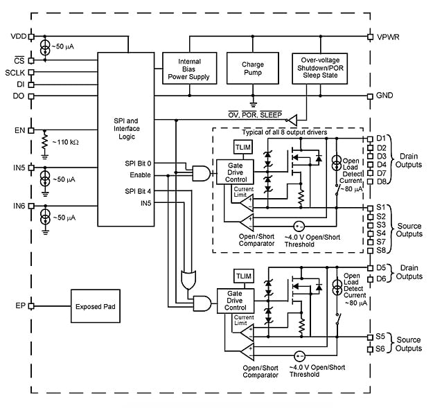
MC33879_BD

NXP<sup>&#174;</sup> MC33879 Internal Block Diagram

功能

主要特性

  • 工作电压为5.5 V ≤ VPWR ≤ 27.5 V
  • 用于控制和故障报告的16位SPI,兼容3.3 V/5.0 V
  • 输出电流限制为(0.6 A至1.2 A)以驱动白炽灯
  • 感应开关的输出电压限定为+45 V (低边)和-20 V (高边)
  • 开路负载检测电流的开启/关闭控制(LED应用)
  • VPWR的内部电池反向保护
  • 接地或者电源失效不会使负载通电或者损坏IC
  • 13 V VPWR时最大IPWR待机电流为5.0 µA
  • 25°C时导通电阻的典型值为0.75 Ohm
  • 带有自动重试功能的短路检测和电流限制
  • 独立的过热保护

购买/参数










































































































文档

快速参考恩智浦 文档类别

7 文件

紧凑列表

应用笔记 (4)
数据手册 (1)
用户指南 (1)
选型指南 (1)

设计文件

硬件

快速参考恩智浦 板类型.

4 硬件

软件

快速参考恩智浦 软件类型.

1 软件文件

注意: 推荐在电脑端下载软件,体验更佳。

工程服务

2 工程服务

要查找支持该产品的其他合作伙伴产品,请访问我们的 合作伙伴市场.

支持