EVBMA6X02BMU评估板快速入门

上次修改时间: Sep 18, 2025支持 配备BMA6X02的优化型电池管理单元

本文档内容

  • 1

    开箱即用
  • 2

    硬件介绍
  • 3

    配置硬件
  • 4

    安装软件

1. 开箱即用

EVBMA6X02BMU评估板,集成所有必要的接头、跳线和信号测试点,可用于快速评估恩智浦产品。

本文档旨在帮助用户快速设置、配置和操作EVBMA6X02BMU评估板。

1.1 套件内含物/装箱单

该套件内含物包括:

  • EVBMA6X02BMU——优化型电池管理单元
  • 电源(12V)
  • 电源和CAN接口电缆
  • ETPL电缆——两线双绞线TPL电缆(50cm)
  • 3.3V FTDI线缆

1.2 其它硬件

除了套件内含物外,使用此板时,还需要使用以下硬件。

  • 将电源连接至电网的电源线
  • 其它AFE板(如EVBMA7118或EVBMA777T2),应通过EVBMA6X02BMU板进行控制
  • 配备S32K358编程环境和相关硬件调试器的PC

2. 硬件介绍

2.1 板特性

  • MCU (S32K358)
  • SBC (FS26)
  • 通信网关(BMA6X02S)

2.2 板说明

主要组件如表1所示。

组件 说明
U43——FS2633D 用于为板上所有组件供电的SBC
U31——S32K358 用于控制板的MCU
U402——BMA6X02S GTW支持与电池管理系统的其他板进行通信。
U20——TJA1145A CAN收发器,允许与其他CAN设备进行通信

Figure 1. EVBMA6X02BMU Overview

Figure 1. EVBMA6X02BMU Overview

3. 配置硬件

EVBMA6X02BMU有多种配置选项。其中最关键的是BMA6X02S的时钟和SPI配置。

3.1 时钟配置

BMA6X02S有3个时钟配置选项。它可以通过内部时钟、外部晶体或外部时钟源来运行。默认配置为外部时钟源,假设S35K358已配置为将该时钟信号提供给OSCP引脚。OSCP引脚在板上连接至PTB5_47_CLKOUT_RUN_TP8引脚。时钟源的选择可通过R429R430R431R432进行更改(见图2)。有关如何更改配置的详细信息,请参阅BMA6X02S数据手册。

Figure 2. Clock Configuration of the BMA6X02S

Figure 2. Clock configuration of the BMA6X02S

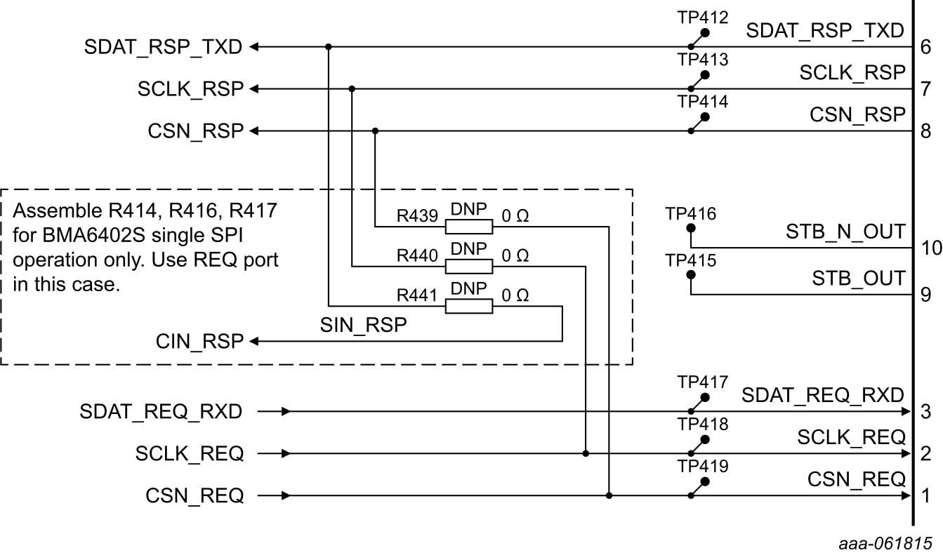
3.2 SPI配置

BMA6X02S有3个SPI配置。它可以作为单个或双SPI运行,其中响应SPI作为主机或从机。EVBMA6X02BMU的默认配置为双SPI配置。该配置可通过R439R440R441进行更改(见图3)。确保所使用的硬件配置与S32K358的软件配置相匹配。

Figure 3. SPI Configuration

Figure 3. SPI configuration

4. 安装软件

4.1 安装软件

下载并安装以下软件: