
设计文件
快速参考恩智浦
设计文件类型.
3 设计文件
-
印刷电路板与电路图
RD33771-48VEVM BOM Report
-
印刷电路板与电路图
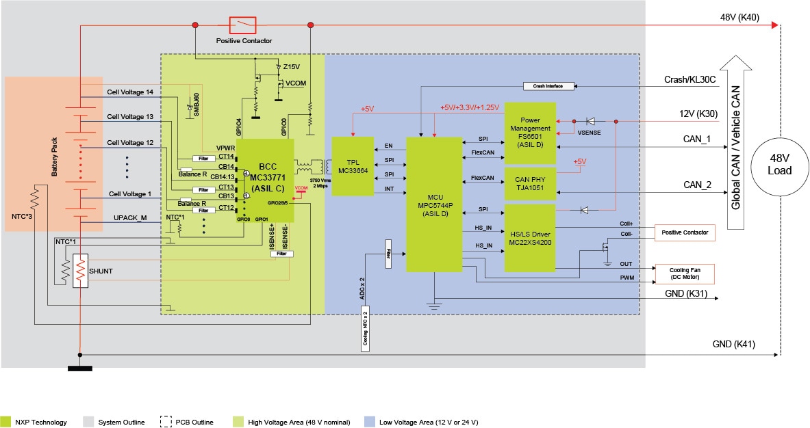
RD33771-48VEVM Schematics
-
印刷电路板与电路图
RD33771-48VEVM Gerber Files

| 代理商 | 地区 | 库存 | 库存日期 | 订购 |
|---|
Upon selection of a preferred distributor, you will be directed to their web site to place and service your order. Please be aware that distributors are independent businesses and set their own prices, terms and conditions of sale. NXP makes no representations or warranties, express or implied, about distributors, or the prices, terms and conditions of sale agreed upon by you and any distributor.
快速参考恩智浦 文档类别
4 文件
紧凑列表
安全文件正在加载,请稍等
3 设计文件
安全文件正在加载,请稍等