Javascript must be enabled to view full functionality of our site.
NXP
产品
应用
设计中心
技术支持
公司
在线购买
语言
English
中文
日本語
한국어
订单
中文
产品
处理器和微控制器
模拟和混合信号
音频
电池管理
接口
电源驱动器
电源管理
车载广播
射频
RFID/NFC
信息安全与身份验证
传感器
无线连接
产品查找工具
恩智浦产品信息
设计建议工具
射频
宏基站射频拉远头(RRH)
有源天线系统
航空与国防射频
射频放大器——中低功率
车载无线电调谐器
雷达收发器和SoC
旧型号RF产品
旧型号RF产品
旧型号射频功率产品
旧型号射频低中功率放大器
旧型号WLAN前端IC
旧型号5G毫米波
旧型号射频二极管
旧型号RF宽带晶体管
旧型号射频低中功率放大器
BGA2800
BGA2801
BGA2802
BGA2803
BGA2815
BGA2817
BGA2818
BGA2851
BGA2866
BGA2867
BGA2869
BGA2870
BGA3131
BGA6130
BGS8H2
BGS8L2
BGS8M2
BGU6101
BGU6102
BGU6104
BGU7004
BGU7004_7008
BGU7005
BGU7007
BGU7008
BGU7044
BGU7045
BGU7224
BGU7258
BGU8009
BGU8019
BGU8051
BGU8052
BGU8053
BGU805X
BGU8061
BGU8062
BGU806X
BGU8103
BGU8H1
BGU8L1
BGU8M1
GPS1502L
LTE3401H
LTE3401L
MMZ27333B
BGA3012演示板,1GHz 12dB增益宽带放大器应用
OM7858
接收通知
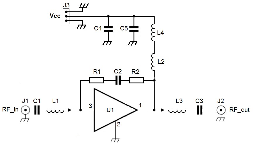
点击图片以展开
Functional diagram of the kit
BGA3012有线电视信号放大器套件简化了BGA3012宽带放大器的评估。它包含一个射频板,阻抗为75Ω,匹配40MHz到1006MHz的频率范围,带F接头。该板的工作电压为5V至8V。该套件还提供BGA3012原型示例、器件模型和产品文档。
产品详情
特点
应用
特性
主要特性
评估电气直流和射频性能,如IDC、S参数、失真度、P-1dB和噪声系数
PCB布局评估
器件模型和S参数
应用
工业控制
CATV前向放大器(40MHz-1006MHz)
FTTH
FTTx
中继放大器
家庭网关
有线电视信号分配系统
机顶盒
线路扩展器
支持
您需要什么帮助?
Narrow your search
搜索
推荐链接
在恩智浦技术社区提问