包装信息 (1)
封装信息 (1)
应用笔记 (1)
手册 (2)
-
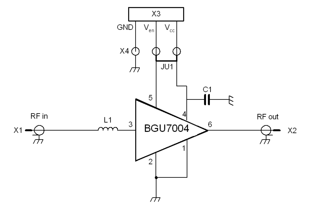
NXP SiGe:C GPS LNAs[BGU700X_BGU800X_SIGEC_GPS_LNAS]
支持信息 (2)
-
Reflow Soldering Profile[REFLOW_SOLDERING_PROFILE]
-
MAR_SOT886 Topmark[MAR_SOT886]


