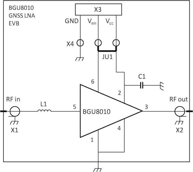
BGU8010 GNSS LNA评估板

点击图片以展开

产品详情

特性

主要特性

  • 覆盖从1559MHz到1610MHz的整个GNSS L1频段
  • 对所有引脚提供ESD防护(HBM>2kV)
  • 1.1mmx0.9mmx0.5mm;0.4mm间距:SOT1230
  • 180GHz转接频率——SiGe:C技术
  • 噪声系数(NF)=0.90dB
  • 增益=16.1dB
  • 输入1dB压缩点:-9dBm
  • 0dBm的带外IP3i

连接

  • 只需一个输入匹配电感和一个电源解耦电容
  • 解耦了输入和输出DC
  • 集成输出匹配

电源管理

  • 电源电压范围:1.5V至3.1V
  • 3.1mA极低电源电流时性能最优
  • 掉电模式耗电电流<1µA

支持

您需要什么帮助?