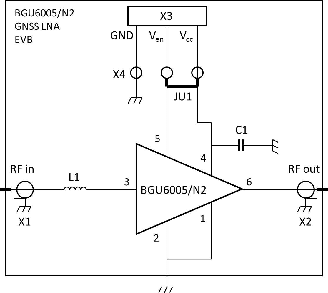
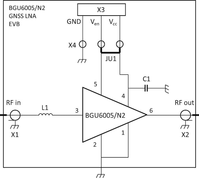
The BGU6005/N2 GPS LNA evaluation board simplifies the evaluation of the BGU6005/N2 LNA for the GPS application. The evaluation board enables testing of the device performance and requires no additional support circuitry. The board is fully assembled with the BGU6005/N2, the input series inductor and a decoupling capacitor. The board is supplied with two SMA connectors for input and output connection to RF test equipment. The BGU6005/N2 can operate from a 1.5 V to 3.1 V single supply and consumes about 4.9 mA.