
外部汽车照明多通道eXtreme开关
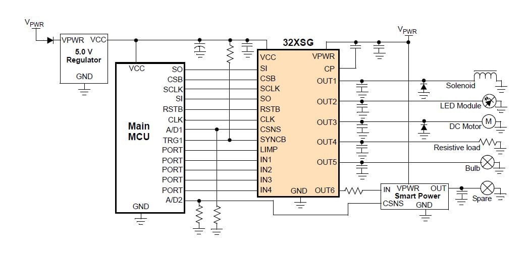
The NXP 32XSG family is an extended version of the 12XSF covering higher voltage range up to 32 V. These eXtreme switches are designed to control and diagnose various type of loads such as lights, DC motors, PLC, etc.
| Product | Datasheet | RDSon (mOhm) | Package | Suggested tool |
| MC07XSG517 | Datasheet | 3 x 7.0 2 x 17.0 |
SOIC EP 54 | - |
| MC17XSG500 | Datasheet | 5 x 17.0 | SOIC EP 32 | FRDM-32XSG-EVB |
|
|
|
|
|
|
|
|---|---|---|---|---|---|
|
|
|
|
|
|
|
|
|
|
|
|
|
|
|
|
|
|
|
|
|
|
|
|
|
|
|
|
|
|
|
|
|
|
|
|
|
|
|
|
|
|
|
|
|
|
|
|
|
|
|
|
|
|
|
|
|
|
|
|
|
|
|
|
|
|
|
|
|
|
快速参考恩智浦 文档类别
2 文件
紧凑列表
安全文件正在加载,请稍等
3 工程服务
There are no results for this selection.
要查找支持该产品的其他合作伙伴产品,请访问我们的 合作伙伴市场.