TDA3681 | NXP 半导体

带开关和点火缓冲器的多路电压稳压器

  • 本页面包含有关样品阶段产品的信息。此处的规格和信息如有更改,恕不另行通知。如需了解其他信息,请联系支持人员或您的销售代表。

产品详情

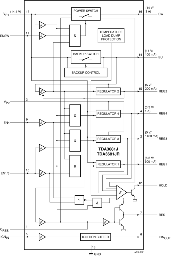
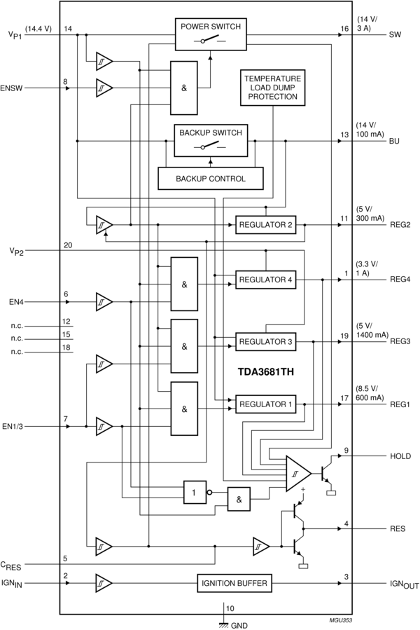
框图

选择框图:

Block diagram: TDA3681J, TDA3681JR, TDA3681TH

Block diagram: TDA3681J, TDA3681JR, TDA3681TH

特征

基本信息
  • 采用较小输出电容即可获得低噪声性能和良好的稳定性
  • 稳压器3和4的第二电源引脚可降低功耗(如通过DC-DC转换器)
  • 3个VP状态控制稳压器(稳压器1、3和4)和一个电源开关
  • 负载突降和热关断时稳压器2、复位和点火缓冲器可正常工作
  • 开关稳压器1和3的组合控制引脚
  • 开关稳压器4和电源开关具有独立的控制引脚
  • 电源电压范围:-18 V至+50 V
  • 待机模式下低静态电流(此时稳压器1、3和4以及电源开关关闭,点火输入为低电平)
  • 低电平VP具有保持输出(开集输出级) (稳压器1、3和4以及电源开关关闭)
  • 当稳压器1和3和/或4中的一个处于非稳压状态时保持输出
  • 电源开关、稳压器1、3和4的折返模式保持输出
  • 负载突降和温度保护具有保持输出
  • 稳压器2的复位(推挽输出级)
  • 可调节复位延迟时间
  • 高电源电压纹波抑制功能
  • 稳压器2的备用电容
  • 一个独立的点火缓冲器(有源高电平)。

保护

  • 反向极性保护(低至-18 V,无高反向电流)
  • 输出端可耐受高达18 V的电压(电源线可能短路)
  • 所有引脚提供ESD保护
  • 热保护
  • 负载突降保护
  • 稳压器1、2、3和4具有折返限流保护
  • 短路时电源开关具有延迟第二限流保护
  • 稳压器输出和电源开关直流短路至地和电源(VP )。

购买/参数

3 结果

不包含 3 不推荐用于新设计

计算机辅助设计模型

封装类型

DBS17P

HSOP20

DBS17P

文档

快速参考恩智浦 文档类别

4 文件

紧凑列表

封装信息 (3)
数据手册 (1)

支持

您需要什么帮助?

近期查看的产品

TDA3681

带开关和点火缓冲器的多路电压稳压器

查看或编辑浏览历史