USB 2.0全速设备控制器是一种高度可配置、可综合的USB内核,它采用恩智浦半导体的硅验证技术构建。
内核是极低的栅极计数设计,可在对成本敏感的应用中提供高效的USB实现。
它与USB侧的标准USB收发器以及系统侧的AMBA®AHB接口集成在一起,支持所有主要的嵌入式微处理器内核。

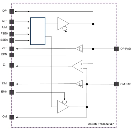
USB IO收发器是采用TSMC 90LP和65LP工艺的一个CMOS IO单元。它符合USB规范修订版2.0(仅全速和低速,2000年4月27日)。
单元收发器将逻辑CMOS信号转换为USB兼容的输出信号,反之亦然。收发器支持两种模式的数据传输速率: 低速模式(1.5 Mbps)和全速模式(12 Mbps)。在这两种模式下,输出信号电平的幅度等于外部电源电压。
接收器可以检测到小至0.2V的差分信号(0.8V

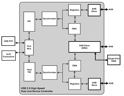
USB 2.0高速设备控制器是一种高度可配置、可综合的USB内核,它采用恩智浦半导体的硅验证技术构建。
内核是极低的栅极计数设计,可在对成本敏感的应用中提供高效的USB实现。
它与USB侧的符合UTMI标准的PHY或USB ULPI收发器以及系统侧的AMBA®AHB接口集成在一起,支持所有主要的嵌入式微处理器内核。

USB 2.0全速主机和设备控制器是一种高度可配置、可综合的USB内核,它采用恩智浦半导体的硅验证技术构建。
内核是极低的栅极计数设计,可在对成本敏感的应用中提供高效的USB实现。
它与USB侧的符合UTMI标准的PHY或USB ULPI收发器以及系统侧的AMBA®AHB接口集成在一起,支持所有主要的嵌入式微处理器内核。



Silvaco合作伙伴负责USB IP的分销。Silvaco是领先的软件工具EDA提供商,用于模拟/混合信号、电源IC和存储器设计。
Silvaco总部设在加州圣克拉拉,拥有30多年全球运营的经验,业务办事处遍及北美、欧洲、日本和亚洲,并为TCAD、SPICE建模和PDK开发提供快速周转和经济实惠的服务。2016年6月,Silvaco收购了半导体IP块供应商IPextreme,现在是Silvaco的IP部门(仍采用IPextreme品牌)
USB IP是恩智浦所有的,但通过Silvaco进行封装、销售和提供技术支持
| 可交付成果 |
| VHDL RTL源代码(根据要求提供Verilog) |
| 带测试套件的测试台 |
| 文档,包括用户指南和集成指南 |
| 技术独立的合成限制 |
| 适用对象 |
| 行为模型 |
| 前端和后端视图 |