适用于SMPS的USB PD3.0和QC4.0 Type-C控制器

  • 本页面包含有关样品阶段产品的信息。此处的规格和信息如有更改,恕不另行通知。如需了解其他信息,请联系支持人员或您的销售代表。

产品详情

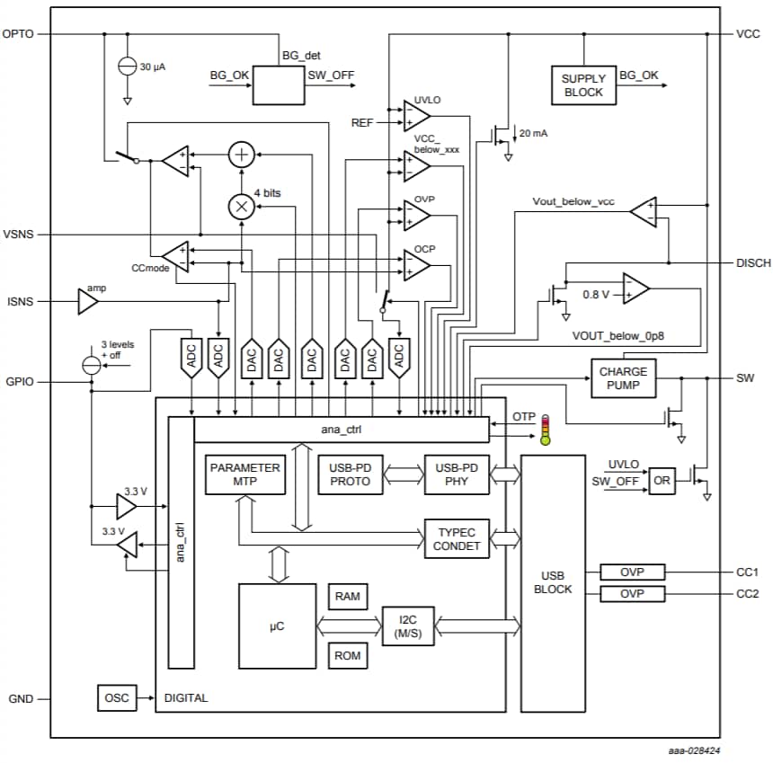
框图

适用于SMPS的USB PD3.0和QC4.0 Type-C控制器

TEA19032BT block diagram

特性

基本功能

  • 适用于高功率适配器的卓越全面安全应用,可防止过载情况
  • 宽输出电压工作范围(2.9V至20V)
  • 与TEA193x QR/DCM控制器和TEA199x SR控制器一起提供超高效率
  • 空载功率极低(整个系统解决方案<30mW)
  • 高功率密度
  • 专用软件引脚可直接驱动外部NMOS
  • 恒压(CV)和恒流(CC)控制(可编程电平)
  • 精确电压和电流控制,最小步长低(12位DAC电压、10位DAC电流)
  • 低成本SO10封装(适用于回流焊接和波峰焊接)
  • 低成本物料清单(BOM;≈15个外部组件)
  • 嵌入式MCU(带ROM、RAM和MTP存储器)
  • 放电针可用于快速放电
  • 内置串联稳压器和可编程电缆补偿
  • 具有非易失性MTP存储器,用于存储系统配置参数

支持的协议

  • USB Type-C v.1.3
  • USB 供电(USB-PD)2.0和3.0,包括可编程电源(PPS)
  • 支持Qualcomm®QuickChargeTMQC4.0协议
  • 电池充电1.2(BC 1.2)
  • 非结构化供应商定义消息(VDM),可用于MTP编程,例如获取供应商ID

保护

  • 过热保护(OTP):1个内部保护和1个外部保护
  • 自适应过压保护(OVP)
  • 自适应欠压保护(UVP)
  • 过流保护(OCP)
  • 欠压锁定(UVLO)保护功能
  • 输出短路保护(OSP)
  • 开路电源保护(OSUP)
  • CC1和CC2引脚的过压保护
  • CC1和CC2引脚的软短路保护
  • 输出端软短路保护

恩智浦GreenChip

文档

快速参考恩智浦 文档类别

8 文件

紧凑列表

封装信息 (1)
应用笔记 (1)
支持信息 (2)
数据手册 (1)
用户指南 (3)

设计文件

软件

快速参考恩智浦 软件类型.

1 软件文件

注意: 推荐在电脑端下载软件,体验更佳。