紧凑列表
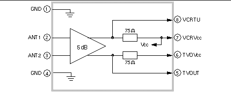
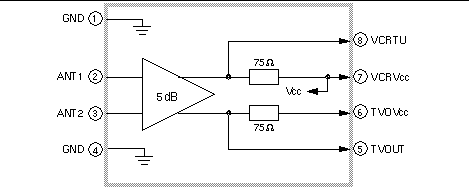
The MC44BC380 is an Ultra High Frequency (UHF) and Very High Frequency (VHF) antenna booster/ splitter integrated circuit (IC).
The MC44BC380 boosts the antenna signal, then splits the signal into two 75-ohm outputs for the TV and the following auxiliary outputs:
The STB or VCR RF output is added to the boosted received antenna signal. The MC44BC380 is available in an 8-pin (SO8) package.
快速参考恩智浦 文档类别
2 文件
紧凑列表
安全文件正在加载,请稍等