
SuperSpeed USB 3.0转接驱动器
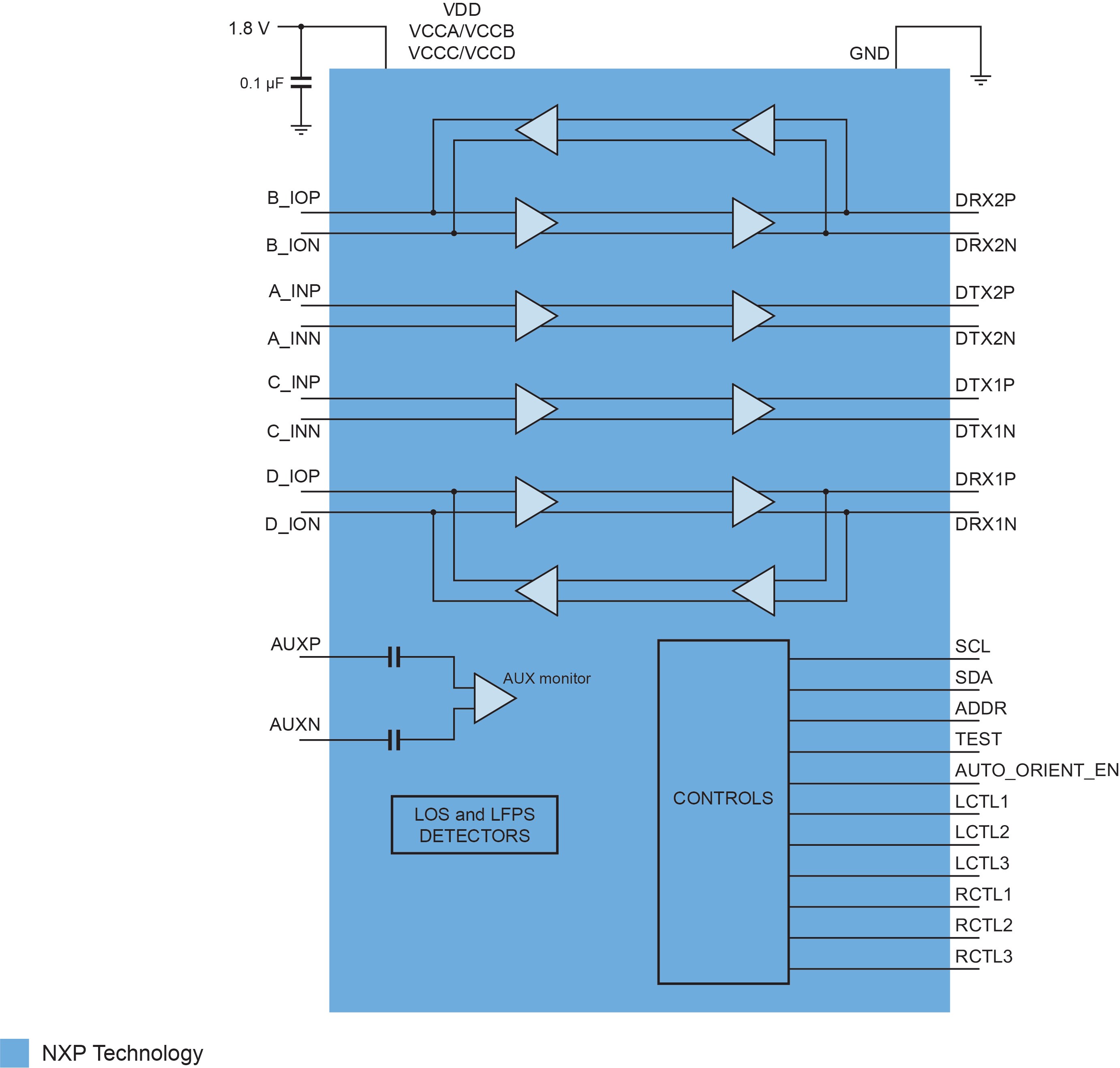
PTN38003A是一款高性能USB3.2和DP1.4组合线性转接驱动器,适用于USB Type-C下行(DFP)或上行(UFP)端口。PTN38003A是一款USB Type-C高速线性转接驱动器,用于满足通过USB Type-C Alt模式标准支持USB 3.2 Gen2和VESA DisplayPort 1.4的平台中的信号质量增强要求。该设备提供可编程的线性均衡,通过引脚打包的输出摆动线性度控制或I²C控制来提高信号完整性,并通过减少符号间干扰(ISI)来实现信道扩展。该设备还以DP模式监测边带信号,可优化配置、节能模式和性能。
对于USB操作,PTN38003A具有内置的高级能源管理功能,可在USB3.2低功耗模式(U2/U3)下实现显著节能。它检测LFPS(低频周期信号)/LBPM(基于LFPS的PWM消息)信号配置操作(USB3.2 Gen 1/Gen 2和x1/x2)和连接电气条件,并动态激活/关闭内部电路和逻辑。该设备执行这些操作时无需主机软件干预,即可节电。
对于DisplayPort (DP)操作,PTN38003A监控AUX事务,并在DP链路初始化和培训期间调整DisplayPort通道设置。PTN38003A供电电源为1.8 V。它采用高性能的小型HWFLGA36封装。
如需了解更多信息和样品供货情况,请联系当地的销售机构。
快速参考恩智浦 文档类别
3 文件
紧凑列表
安全文件正在加载,请稍等