封装信息 (1)
应用笔记 (1)
支持信息 (1)
-
Footprint for wave soldering[QFP-SQFP-TQFP-WAVE]
数据手册 (1)
-
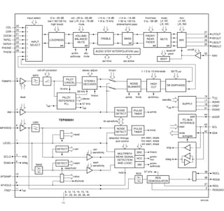
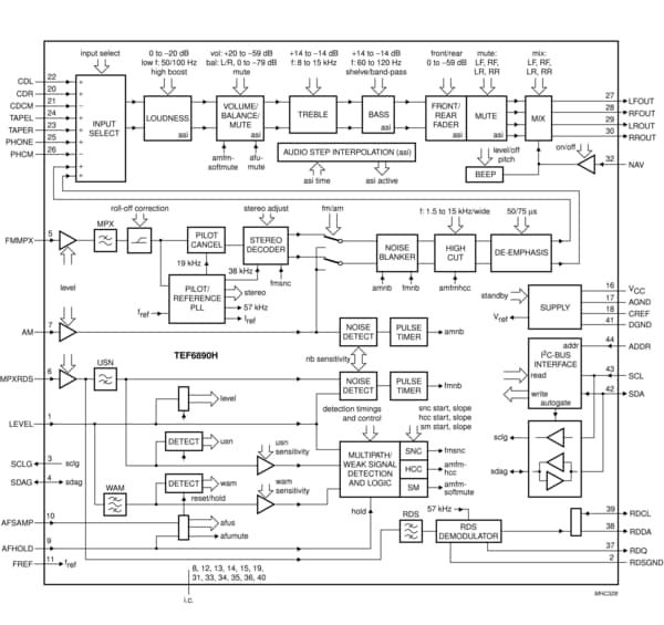
Car radio integrated signal processor[TEF6890H]
|
|
|
|
|
|
|
|---|---|---|---|---|---|
|
|
|
|
|
|
|
|
|
|
|
|
|
|
|
|
|
|
|
|
|
|
|
|
|
|
|
|
|
|
|
|
|
|
|
|
|
|
|
|
|
|
|
|
|
|
|
|
|
|
|
|
|
|
|
|
|
|
|
|
|
|
|
|
|
|
|
|
|
|
快速参考恩智浦 文档类别
4 文件
紧凑列表
安全文件正在加载,请稍等